Grundig Arcance Flat CRT TV – Circuit diagram – GBB4600 – GBB6500 – GBB5600 – GBB4700
Chassis 16.1ARCANCE 55 Flat MF 55-2401/5 Top GBB4600
ARCANCE 55 Flat MF 55-2401/7 Top GBB6500
ARCANCE 55 Flat MF 55-2401 IT/Top GBB5600
ARCANCE 55 Flat MF 55-2401 FR/Top GBB4700
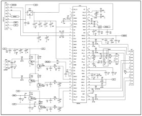
ICs used in SMPS and vertical scan: TDA16847(SMPS
Control) – SPP03N65(SMPS Switching output FET) - TDA8174(Vertical scan output IC) – DST123(LOT)
SMPS circuit diagram (Schematic)
Horizontal and Vertical scan
CRT base card
Stereo module
Full circuit diagram
PWB foil side & Component side
Click on the pictures to magnify






