LG MCT354 - LG MCS354F/W - Mini-Component system – circuit diagram and firmware update procedure
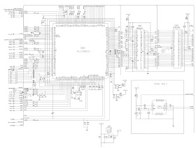
Used ICs: STR-X6769N, STR-A6252, BU9543KV, IP9011, PS9831, MSGEQ7N, LC87F5NCBA, PT6324, MLC9800, HA12237F, TAS53X2, AK5358A. LG MCS354F/W – LGMCT354 – SCHEMATIC – MINI COMPONENT SYSTEM – software upgrade procedure, schematic
CAUTION: Do not perform any other functions such as disconnecting the USB device, changing the function, and Power while you are downloading to the device. The USB device must be Disconnected after the download has been completed.
AUDIO USB DOWNLOAD GUIDE
1 When the device is inserted into the USB function, "File: MCT354_yymmddx.hex" * x:.
2 The "Upgrade" message appears after downloading
3 Power turns off automatically when the download is complete.
SMPS Click on the schematics to zoom in
Servo
PWM
Micom
DSP
Deck
ADC
Power amplifier
USB DVD DOWNLOAD GUIDEThe downloadable program file must be saved with the name BANK ROM
- The downloaded file must be renamed as BANK30 ROM
- After secure storage of the BANK30 ROM in the USB device, follow these steps
1 When the USB device is inserted in the USB function, the screen is changed to a download screen
2 When the download is complete, the message "Completed" is shown on the top side Left of the screen
3 Turn on the power, press the SETUP button on the remote control unit in the USB FUNCTION
When the SETUP window appears on the screen, scroll down once to select the DISPLAY
Go to TV Aspect in the menu on the right, go to "16: 9", enter "1 3 9 7 1 3 9" using the keys your remote control unit, and then press the ENTER key.
Information is displayed If it is not displayed, redo the steps above.
4 When step 3 has been completed, press the PAUSE button on the remote control
5 Disconnect the power cord, and reconnect it after 5 seconds to complete the download
6 When the power has been turned on, the language selection menu is initially displayed
After selecting the desired language, press SELECT / ENTER








