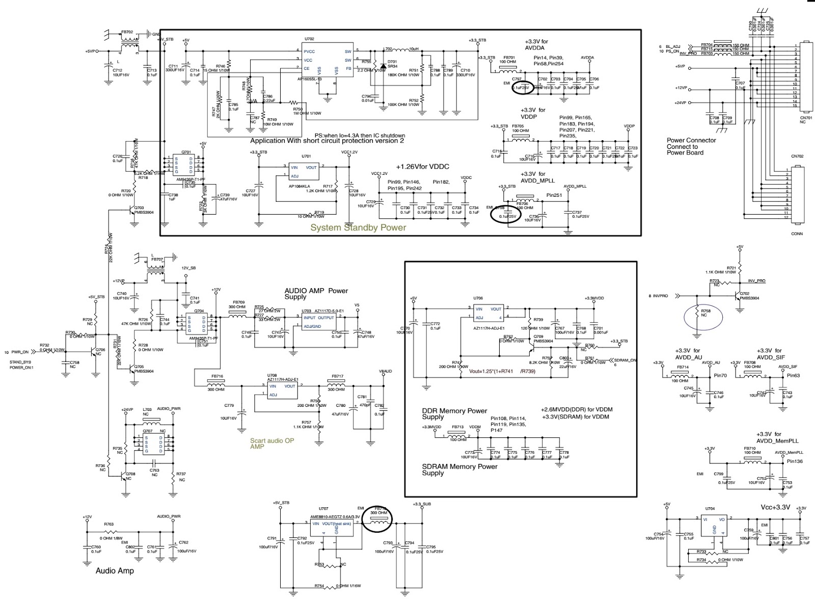
Philips 19PFL3403-10 – Power Schematic - LCD TV
SMPS and Scaler supply circuit diagram - Philips 19" LCD TV.
SMPS schematic
Scaler supply
Click on the schematics to magnify



