Philips FWM608 Subwoofer Mini Hi-Fi System – how to disassemble – circuit diagram
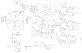
Disassemble procedure – amplifier, CD board and system control board schematic - Philips FWM608 Mini Hi-Fi System
Before touching the lens it is advised to clean the surface of the lens by blowing clean air over it. This to avoid that little particles make scratches on the lens.
Because the material of the lens is synthetic and coated with a special anti-reflectivity layer, cleaning must be done with a non-aggressive cleaning fluid. It is advised to use “Cleaning Solvent
The actuator is a very precise mechanical component and may not be damaged in order to guarantee its full function.
Clean the lens gently (don’t press too hard) with a soft and clean cotton bud moistened with the special lens cleaner.
The direction of cleaning must be in the way as indicated in the picture below.
Disassemble procedure
Dismantling
of the CDC Module and Front Panel
1) Loosen
17 screws to remove the Cover Top of the set.
2) Slide
out the CDC Tray as shown in the diagram below with the help of a flat head
screw driver.
3) Remove
the Cover Tray CDC as indicated.
4) Loosen
2 screws A and 2 screws B to remove the CDC Module as indicated.
5) Remove 2 screws at the bottom to separate the Front Panel Assembly from the Plate Bottom.
5) Remove 2 screws at the bottom to separate the Front Panel Assembly from the Plate Bottom.
Dismantling
of Rear Portion
1) Remove
3 screws C as indicated to loosen the Tuner Board.
2) Remove 6 screws D&G as indicated to loosen the MAIN Board.
3) Remove 8 screws E&H as indicated the AMP Board.
4) Remove 3 screws F as indicated to loosen the Bottom Cabinet.
2) Remove 6 screws D&G as indicated to loosen the MAIN Board.
3) Remove 8 screws E&H as indicated the AMP Board.
4) Remove 3 screws F as indicated to loosen the Bottom Cabinet.
Dismantling
of the PCB Board
1) Remove
14 screws I as indicated to loosen the KEY1 Board.
2) Remove 11 screws J as indicated to loosen the KEY2 Board.
3) Remove 3 screws K as indicated the USB SOCKET&LINE IN Board
2) Remove 11 screws J as indicated to loosen the KEY2 Board.
3) Remove 3 screws K as indicated the USB SOCKET&LINE IN Board
Click on the pictures to magnify










