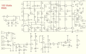
Power amplifier circuits – 100W – 200W and 325W – used power transistors KSC5200-KSA1943 – TIP41-TIP42
KSC5200 – KSA1943 # 325Watts RMS
TIP41 – TIP42 # 100 and 200Watts RMS
Circuit diagrams and – C5200 and A1943 datasheet
C5200 datasheet
C1943 datasheet
Click on the pictures to zoom in




