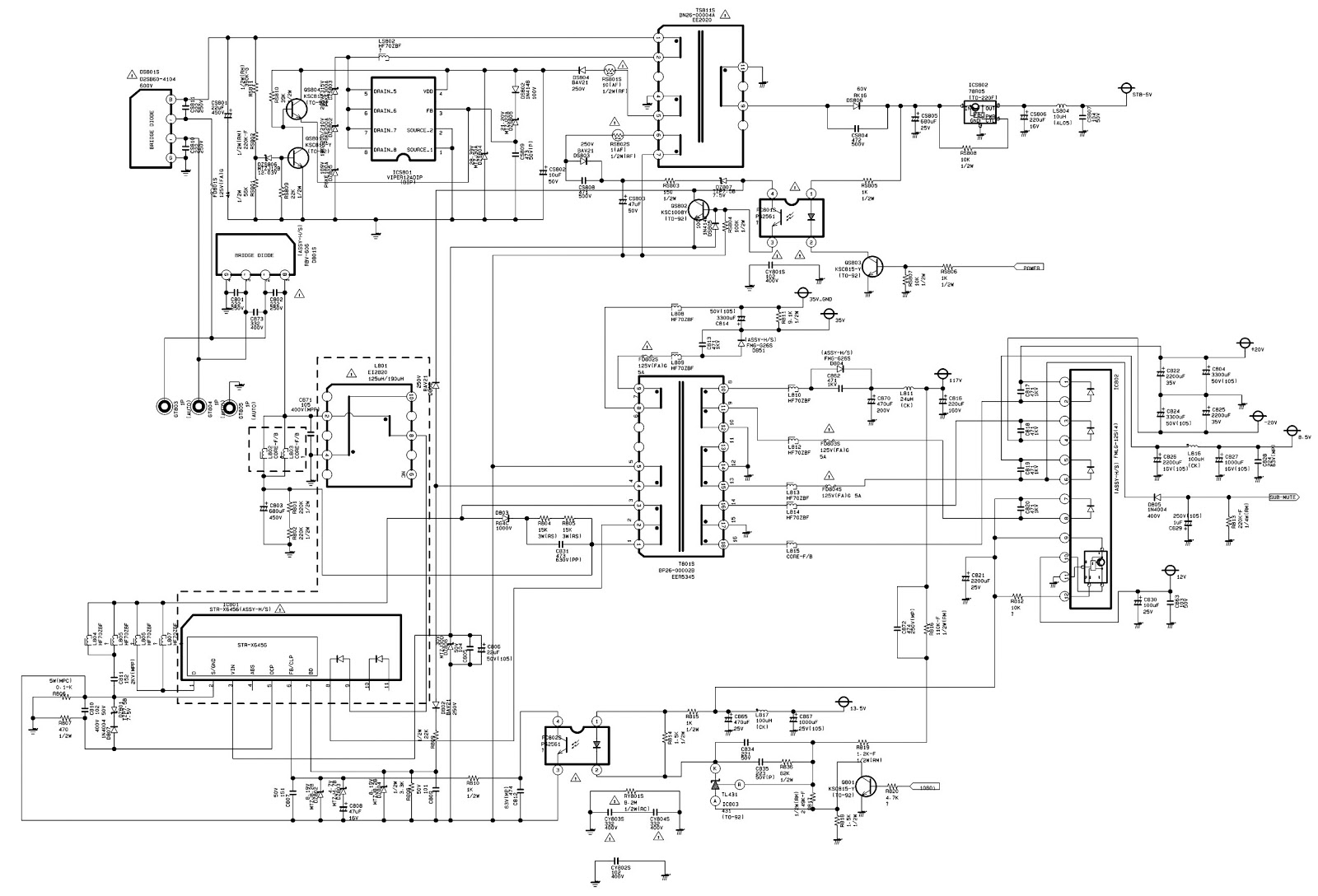
Samsung Projection TV Receiver SP43R2HEX/XSG – Power and Deflection section Circuit Diagram
SMPS and Horizontal Output section Schematic - Samsung SP43R2 - Projection TV
PWM REG Circuit
For the existing
high voltage REG circuit (input voltage variation type), a dynamic REG response
is not provided. So it is difficult for both beam linearity and uniformity in
screen size to be maintained on the screen with rapidly changing beams.
A PWM (Pulse Width Modulation) type of high voltage, however, provides the maintenance of beam linearity and uniformity in screen size via a quick response to beam change by performing sync lock every 1H line, and detecting beam fluctuation at 1H line, and then controlling the IC current of high voltage output circuit.
A PWM (Pulse Width Modulation) type of high voltage, however, provides the maintenance of beam linearity and uniformity in screen size via a quick response to beam change by performing sync lock every 1H line, and detecting beam fluctuation at 1H line, and then controlling the IC current of high voltage output circuit.
1.High Voltage
Fluctuation Detect (DC Detect)
FBT pin 11 detects DC high voltage fluctuation. The detected DC high voltage value is input
to PWM IC471 pin1 through R473, VR471, R471, and then it is input to a
differential AMP circuit that differentiates the gap after comparing with the
reference voltage input to pin2.
2. High Voltage Fluctuation Detect (AC Detect)
2. High Voltage Fluctuation Detect (AC Detect)
To check AC
high voltage
fluctuation, the output from FBT is detected by using a capacitor inside
the
high voltage distributor. The detection of AC high voltage fluctuation, a
detection of dynamic beam current change is required in order to keep
beam linearity and uniformity in size. Regarding the capacitor, a
capacity of less
than 3000P should be applied to a PWM type. (The existing type needs a
capacity
of about 6000P.) AC detect circuit eliminates unnecessary high frequency
by
using C476, D472. Also, AC gain is limited to + / - 0.7V (D472). This AC
gain
is combined with the detection value of DC high voltage fluctuation by
using
C478.
3. PWM IC OSC Sync
Lock
A PWM type IC needs sync lock for PWM pulse and horizontal scan line. The standard time constant of OSC circuit is determined
by C487, R475 (PWM IC pins 5 and 6). And
the standard OSC frequency is about 27 kHz . The horizontal frequency of scan
line is 31.5kHz(NT), 31.25kHz(PAL), so sync lock for this horizontal frequency
should be performed using sync lock circuit. The sync lock circuit consists of
Q481(Tr KSC815-Y), D479, D478, and C492.
The input AFC signal is connected to PWM IC pin 5 through D479 so that
it can be negative Trig.
4. Dead Time (HV
Protect)
Dead Time (PWM IN pin4) consists of C481, delays high voltage for a certain time to soft start in power on, a x-ray protection circuit. The voltage of Dead Time is detected by FBT pin7 and through DC Feedback. The normal voltage of Dead Time is +27V. When high
voltage increases, however, detected voltage is in proportion to high voltage. Then, the detected voltage is applied to ICR01S(TL431). If the voltage is over 2.5V (normal:about 2.25V), TL431 turns ON, the base port of QR401S becomes low, and then an emitter current flows. At this time, a high voltage protection point is set. When QR401S turns ON, high voltage is applied to PWM IC pin4 and then muted.
Dead Time (PWM IN pin4) consists of C481, delays high voltage for a certain time to soft start in power on, a x-ray protection circuit. The voltage of Dead Time is detected by FBT pin7 and through DC Feedback. The normal voltage of Dead Time is +27V. When high
voltage increases, however, detected voltage is in proportion to high voltage. Then, the detected voltage is applied to ICR01S(TL431). If the voltage is over 2.5V (normal:about 2.25V), TL431 turns ON, the base port of QR401S becomes low, and then an emitter current flows. At this time, a high voltage protection point is set. When QR401S turns ON, high voltage is applied to PWM IC pin4 and then muted.
5. Output Circuit
The voltages, which are detected form an error detection circuit of PWM IC (Differential AMP) and Dead Time, each is applied to PWM comparator. Due to these detection voltages, Q1, Q2 (Output TR) parallel operate. Q482 (External TR), however, functions as a buffer; matches impedance between the output port of PWM IC and the final output TR(IRFS640). The PWM pulse (applied to the final output FET (IRFS640 GATE) varies the IC current of high voltage TR(Q473) by adjusting the load impedance of storage Trans (T431). Due to this variation of current, the gain for Q473 emitter pulse changes T444(FBT)makes this emitter pulse became high voltage. Such change keeps both dynamic and static changes fixed.
The voltages, which are detected form an error detection circuit of PWM IC (Differential AMP) and Dead Time, each is applied to PWM comparator. Due to these detection voltages, Q1, Q2 (Output TR) parallel operate. Q482 (External TR), however, functions as a buffer; matches impedance between the output port of PWM IC and the final output TR(IRFS640). The PWM pulse (applied to the final output FET (IRFS640 GATE) varies the IC current of high voltage TR(Q473) by adjusting the load impedance of storage Trans (T431). Due to this variation of current, the gain for Q473 emitter pulse changes T444(FBT)makes this emitter pulse became high voltage. Such change keeps both dynamic and static changes fixed.
6. Paraneters
according to beam
To maintain the set high voltage value (31kV), parmaters such as +Ve (DC), Vcp High Voltage change.
To maintain the set high voltage value (31kV), parmaters such as +Ve (DC), Vcp High Voltage change.
7. Response
Waveform
To reduce unstable high voltage fluctuation, the existing high voltage type REG circuit controls dynamic fluctuation by using C-block capacitor. But, it can't detect actual dynamic fluctuation. Also, its velocity of response to static fluctuation is late because +B power supply changes per about 1V. A PWM modulation type REG detects static, dynamic high voltage fluctuation for only Ton Time (when the current of the output TR collector flows) each 1H, and modulates the width of PWM pulse. So, this PWM type has better improvement in the characteristic of high voltage REG as compared to the existing type.
To reduce unstable high voltage fluctuation, the existing high voltage type REG circuit controls dynamic fluctuation by using C-block capacitor. But, it can't detect actual dynamic fluctuation. Also, its velocity of response to static fluctuation is late because +B power supply changes per about 1V. A PWM modulation type REG detects static, dynamic high voltage fluctuation for only Ton Time (when the current of the output TR collector flows) each 1H, and modulates the width of PWM pulse. So, this PWM type has better improvement in the characteristic of high voltage REG as compared to the existing type.
8. Application
Effects
1) Improvement of horizontal size fluctuation
2) Linearity improved
3) Embodiment of X-ray protection circuit
1) Improvement of horizontal size fluctuation
2) Linearity improved
3) Embodiment of X-ray protection circuit




