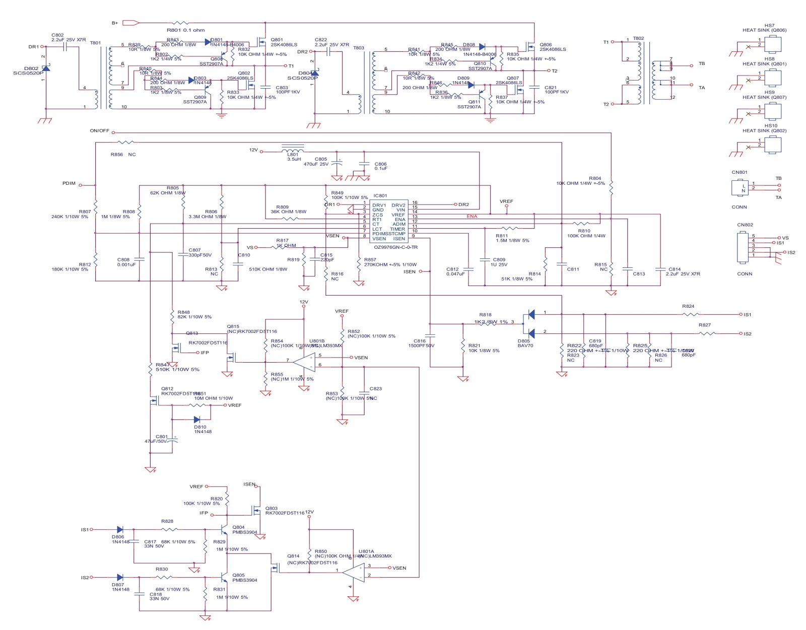
AOC L32DS99X, AOC L42DS99X – LCD TVs – power supply (SMPS) Schematics
AOC L32DS99X, AOC L42DS99X – LCD
TVs – Power supply regulator circuit diagram
AOC L32DS99X 715G3332P01H20003M SMPS
L32DS99X 715G3333-1
AOC L42DS99X 715G3351-1-HV
L42DS99X 715G3358-1








