Samsung CS21M16MJZXNWT CRT TV – how to enter the service mode, circuit diagram
High voltage must be measured each time servicing is done on the B+, horizontal deflection or high voltage circuits. Correct operation of the X-ray protection circuits must be reconfirmed whenever they are serviced.
(X-ray protection circuits also may be called “horizontal disable” or “hold-down”.)
Proceed the high voltage limits. These include the X–ray Protection Specifications Label, and the Product Safety and X-ray Warning Note on the service data schematic.
[The CRT is charged with high voltage. Before removing the Anode Cap, discharge the voltage through one of the heat sinks on the main board.]
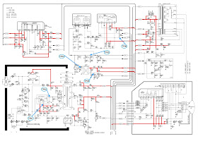
Power, CRT, Vertical and Horizontal section schematic
Onechip and MICOM
Sound and External AV
Factory Mode1. Do not attempt these adjustments in the Video Mode.
2. The Factory Mode adjustments are necessary when either the EEPROM (IC902) or the CRT is replaced.
3. Do not tamper with the “Adjustment” screen of the Factory Mode menu. This screen is intended only for factory use.
When EEPROM (IC902) Is Replaced
1. When IC902 is replaced all adjustment data revert to initial values. It is necessary to re-program this data.
2. After IC902 is replaced, warm up the TV for 10 seconds.
Factory/Service Mode (This mode uses the standard remote control.)
1.The Service Mode is activated by entering the following remote-control sequence:
(1) DISPLAY=>FACTORY.
(2) STAND-BY=> DISPLAY=> MENU=> MUTE =>POWER ON.
2. The “SERVICE (FACTORY)” message will be displayed. The Service Mode has three components: ADJUST, OPTION,OPTION1,G2 Adjust and Reset.
3. Access the Adjustment Mode by pressing the “VOLUME” keys ( Up or Down). and selected by pressing the CHANNEL keys (▲ ,▼).
4. Selection sequences for the all system:
DOWN or UP key
AGC>SCT>SBT>BLR>BLB>RG>GG>BG> VSL>VS>VA>HS>SC>CDL>STT>AKB> PDL>NDL>PSR>NSR>VOL>LCO>TXP> FMVOL>FMWS>AGCS>OMD>SCL>PWL> AGN>PEK>ACL>FCO>SCBT>SSP>PSNS
5. The VOLUME keys increase or decrease the adjustment values (stored in the non-volatile memory) when Adjustment Mode is cancelled.
6. Cancel the Adjustment Mode by re-pressing the “FACTORY” or “Power OFF” keys.
Cathode voltage adjustment 9Screen voltage)
Input a gray scale pattern.
( Use a pattern generator,PM5518)
2. Enter "Adjustment" Mode:
3. Select "G2 adjust" by pressing channel key Up/Dn.
4. Enter "G2 adjust" by pressing channel key Left/Right
5. Adjust he screen Vr (On the FBT),so that OSD becomes "SCREEN ADJEST:OK"


