Always respect voltages. It makes sense to avoid exposure to electrical shock. While some sources are expected to have a possible dangerous impact, others of quite high potential are of limited current and are sometimes held in less regard.
AMPLIFIER-RMS output power
LF channel - 105 W per channel
HF channel - 105 W per channel
Total Bi-Amp power - 420 W
FAST LENS CLEANING (dry brush)
Use lens cleaning CD
SBC AC300 - 9082 100 00043
Insert the lens cleaning CD, press PLAY and follow the voice guide´s instructions on the CD.
Before touching the lens it is advised to clean the surface
of the lens by blowing clean air over it.
This to avoid that little particles make scratches on the lens.
Because the material of
the lens is synthetic and coated with a special anti-reflectivity layer,
cleaning must be done with a non-aggressive cleaning fluid. It is advised to
use “Cleaning Solvent B4-No2”, available with code number 4822 389 10026.
The actuator is a very precise mechanical component and may not be damaged in
order to guarantee its full function.
Clean the lens gently (don’t press too hard) with a soft and clean cotton bud
moistened with the special lens cleaner.
The direction of cleaning must be in the way as indicated in the picture below.
Eye-pattern signal – jitter measurement
Measure
the signal on the input of the Signal processor using an analogue oscilloscope.
See below examples of the signal. Amplitude should read at least 700mVpp using SBC444A.
If the oscilloscope shows a signal like the ‘bad’ one, and/or the amplitude decreases within 1 minute - the CD drive has to be replaced.
CD drive – offset measurement
The
photodiodes of the CD-drive may have an offset. These offsets have to be
compensated by the signal processor.
High offsets can lead to poor playability of some CDs (skipping tracks).
To measure the offset values, start the Service Test Program - section
“Focus Test” without a CD.
The offsets can be measured with a DC Millivoltmeter directly on the connector
(see drawing below). Pin numbering varies from drive to drive. If one of the offsets is higher than ±10mV
the CD drive has to be replaced. Otherwise replace the Signal Processor
Circuit diagram of the front board
Tuner board circuit diagram
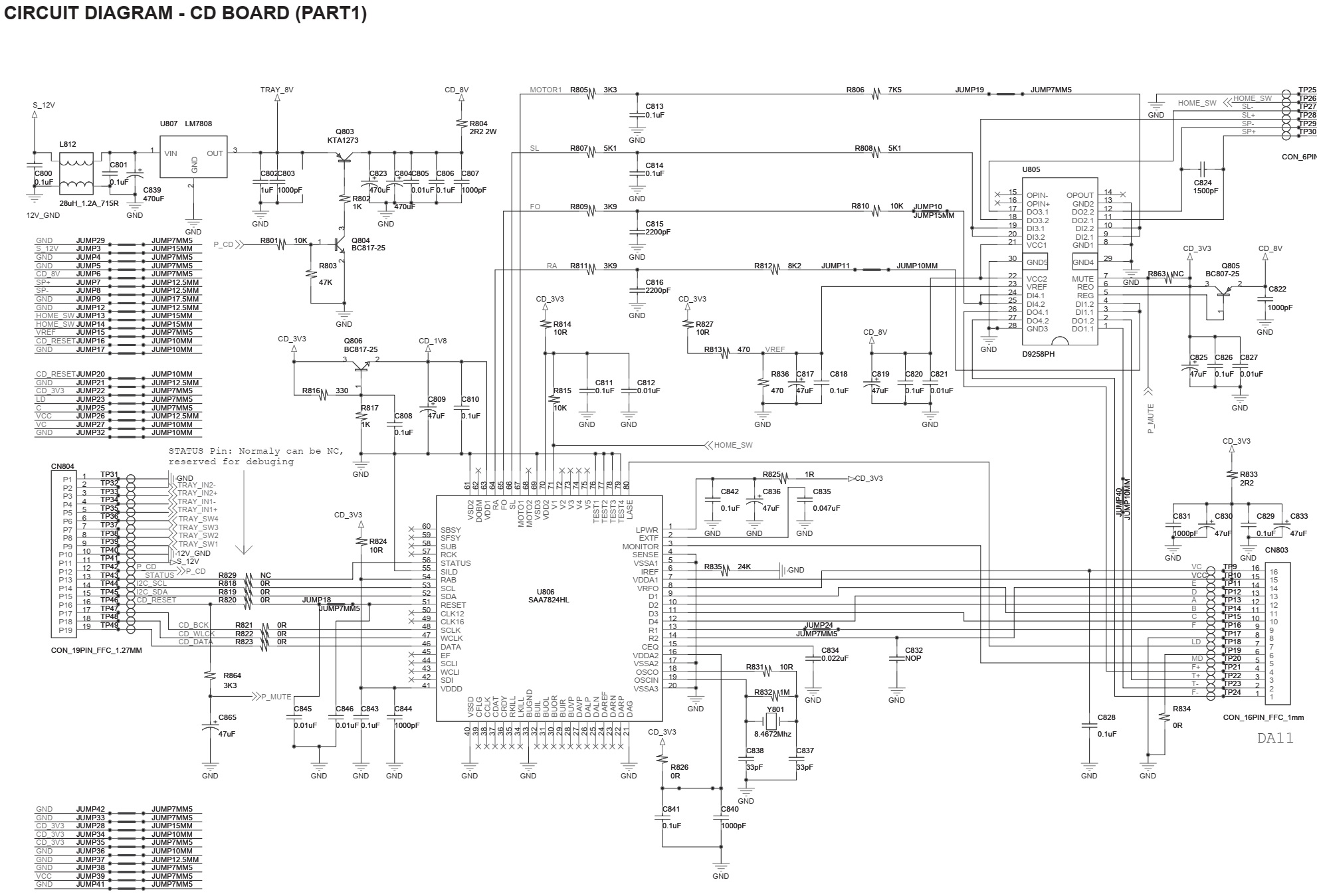
Circuit diagram of CD board
Circuit diagram of high amp and power board
Source selection and sound processing circuit diagram








