How to enter Service Mode – Philips 32PFL3508 – 32 inch LCD TV - Firmware Update
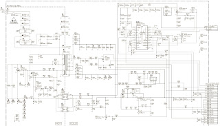
Service Mode – Initialization - Power (SMPS) and Audio amplifier
circuit diagram
TYPE A
32PFL3508/F7 PHILIPS (Serial No.: ME1) - 32PFL3508/F8 PHILIPS (Serial No.: XA1, XA2) - 32PFL1508/F8 PHILIPS (Serial No.: XA1)
TYPE B
32PFL1508/F8 PHILIPS (Serial No.: DS1)
Power
Supply Schematic Diagram [TYPE A]
Fixed voltage (or Auto
voltage selectable) power supply circuit is used in this unit. If Main Fuse (F602) is blown , check to see
that all components in the power supply circuit are not defective before you
connect the AC plug to the AC power supply.
Otherwise it may cause some components in the power supply circuit to
fail.
Power
Supply Schematic Diagram [TYPE B]
Audio Output
How to set up the service mode
Service mode:
1. Turn the power on.
2. Press [MENU] button to display Setup menu.
3. Select “Features”.
4. Select “Software Upgrade”.
5. Select “Current Software Info”.
6. Press [0], [6], [2], [5], [9], [6] and [INFO] buttons on the remote control unit in this order. The following screen appears.
Service mode:
1. Turn the power on.
2. Press [MENU] button to display Setup menu.
3. Select “Features”.
4. Select “Software Upgrade”.
5. Select “Current Software Info”.
6. Press [0], [6], [2], [5], [9], [6] and [INFO] buttons on the remote control unit in this order. The following screen appears.
HOW TO INITIALIZE THE LCD TV
The purpose of initialization is to place the set in a new out of box
condition. The customer will be prompted to select a language and program
channels after the set has been initialized.
To put the program back at the factory-default, initialize the LCD TV using the following procedure.
NOTE: Disconnect any device from the USB Port before you conduct on this procedure.
1. Turn the power on.
2. Enter the service mode. To cancel the service mode, press [the Power ] button on the remote control unit.
3. Press [BACK] button to enter the Panel Key Confirmation Menu.
4. Press any button on the control panel.
5. Press [INFO] button to proceed with the self check mode.
6. Make sure to confirm the “INITIALIZED FINISH” appears in the green screen.
7. Unplug the AC Cord and plug it back on again.
To put the program back at the factory-default, initialize the LCD TV using the following procedure.
NOTE: Disconnect any device from the USB Port before you conduct on this procedure.
1. Turn the power on.
2. Enter the service mode. To cancel the service mode, press [the Power ] button on the remote control unit.
3. Press [BACK] button to enter the Panel Key Confirmation Menu.
4. Press any button on the control panel.
5. Press [INFO] button to proceed with the self check mode.
6. Make sure to confirm the “INITIALIZED FINISH” appears in the green screen.
7. Unplug the AC Cord and plug it back on again.
FIRMWARE RENEWAL MODE
Firmware Update Procedure
User Upgrade (Filename example: TVNB012_00_PF_XX91_AC.ecc)
Upgrade the firmware only. The setting values will not be initialized.
The User Upgrade and the Firmware Upgrade (Factory Upgrade) will be done by the same file. If you want to upgrade the firmware and initialize the setting values also, add “FACT_” at the beginning of the filename. If you want to upgrade the firmware only and leave the setting values as they are, eliminate the “FACT_” from the filename.
User Upgrade (Filename example: TVNB012_00_PF_XX91_AC.ecc)
Upgrade the firmware only. The setting values will not be initialized.
The User Upgrade and the Firmware Upgrade (Factory Upgrade) will be done by the same file. If you want to upgrade the firmware and initialize the setting values also, add “FACT_” at the beginning of the filename. If you want to upgrade the firmware only and leave the setting values as they are, eliminate the “FACT_” from the filename.
Update procedure
1. Turn the power on.
2. Press [MENU] button to display Menu.
3. Select “Features”.
4. Select “Software Upgrade”.
5. Select “Upgrade” to display Upgrade screen.
6. Press [OK] button to display Software Upgrade screen.
7. Select “USB” and press [OK] button.
8. Insert the USB storage device to the USB port.
9. Select “Check” and press [OK] button.
1. Turn the power on.
2. Press [MENU] button to display Menu.
3. Select “Features”.
4. Select “Software Upgrade”.
5. Select “Upgrade” to display Upgrade screen.
6. Press [OK] button to display Software Upgrade screen.
7. Select “USB” and press [OK] button.
8. Insert the USB storage device to the USB port.
10. Select “Upgrade” and press [OK] button to start software upgrade.
Factory Upgrade (Firmware Upgrade/Flash
Upgrade)
Firmware Upgrade (Filename example: FACT_TVNB012_00_PF_XX91_AC.ecc)
Upgrade the firmware and initialize the setting values.
The User Upgrade and the Firmware Upgrade (Factory Upgrade) will be done by the same file. If you want to upgrade the firmware and initialize the setting values also, add “FACT_” at the beginning of the filename. If you want to upgrade the firmware only and leave the setting values as they are, eliminate the “FACT_” from the filename.
Flash Upgrade (Filename example: ALL_TVNB012_00_PF_XX91_AC.ecc)
Upgrade the firmware and initialize the setting values along with the factory default such as White Balance, etc.
Before the upgrade, you will need to make a note of all the factory default so you will be able to set it back on the TV after the initialization.
The Flash Upgrade will be done by it's unique file.
The User Upgrade/Firmware Upgrade (Factory Upgrade) file cannot be used for this upgrade.
Firmware Upgrade (Filename example: FACT_TVNB012_00_PF_XX91_AC.ecc)
Upgrade the firmware and initialize the setting values.
The User Upgrade and the Firmware Upgrade (Factory Upgrade) will be done by the same file. If you want to upgrade the firmware and initialize the setting values also, add “FACT_” at the beginning of the filename. If you want to upgrade the firmware only and leave the setting values as they are, eliminate the “FACT_” from the filename.
Flash Upgrade (Filename example: ALL_TVNB012_00_PF_XX91_AC.ecc)
Upgrade the firmware and initialize the setting values along with the factory default such as White Balance, etc.
Before the upgrade, you will need to make a note of all the factory default so you will be able to set it back on the TV after the initialization.
The Flash Upgrade will be done by it's unique file.
The User Upgrade/Firmware Upgrade (Factory Upgrade) file cannot be used for this upgrade.
Update procedure
1. Turn the power off.
2. Insert the USB storage device to the USB port.
1. Turn the power off.
2. Insert the USB storage device to the USB port.
3. Turn the power on.
4. The update will start and the following will appear in the screen.
4. The update will start and the following will appear in the screen.
If the screen isn't displayed, repeat
from step 1.
5. When the firmware update is
completed; completion screen will appear.
Remove the USB storage device from
the USB port.
Turn the power off and turn the power on again.
Service mode initial screen with a word “INITIALIZED” will appear in the screen. The colour of the word “INITIALIZED” will change from red to green when initialization is completed.
Turn the power off and turn the power on again.
Service mode initial screen with a word “INITIALIZED” will appear in the screen. The colour of the word “INITIALIZED” will change from red to green when initialization is completed.
CLICK ON THE PICTURES TO MAGNIFY






