PHILIPS LX3600D DVD Receiver software update and Power supply circuit diagram – TEA1610
Contents of this article
- Service test
- Software update
- SMPS Power supply circuit
PHILIPS LX3600D
SERVICE
TEST PROGRAM
To start service test program hold S PREVIOUS &
SOURCE buttons depressed and press the STANDBY button*
Display shows the ROM version "S-Vyy"
Pres PLAY button
Press PLAY again
Press STOP button
Procedure
to change Tuner Grid (not for /00/25/17)
During the standby mode, hold the SOURCE and PLAY buttons down and press the STANDBY button. The display will show the new tuning grid "GRID 9" or "GRID 10".
Note: Repeating the same action will toggle back to its previous tuning grid setting.
During the standby mode, hold the SOURCE and PLAY buttons down and press the STANDBY button. The display will show the new tuning grid "GRID 9" or "GRID 10".
Note: Repeating the same action will toggle back to its previous tuning grid setting.
Reprogramming
of DVD version Matrix *
After repair of the Mono AV board the customer setting and region code may be lost.
Reprogramming will put the set back in the state in which it has left the factory, ie. with the default setting and the allowed region code.
To reprogram do as follows:
1) Put the set in Stop mode with tray open
2) Press the following buttons on the Remote Control:
<9> <9> <9> <9> <AUDIO> <8> ........... for LX3600D/17
<9> <9> <9> <9> <AUDIO> <1> ........... for LX3600D/22
<9> <9> <9> <9> <AUDIO> <1> ........... for LX3600D/25
<9> <9> <9> <9> <AUDIO> <3> ........... for LX3600D/69
<9> <9> <9> <9> <AUDIO> <4> ........... for LX3600D/75
<9> <9> <9> <9> <AUDIO> <6> ........... for LX3600D/78
<9> <9> <9> <9> <AUDIO> <2> ........... for LX3600D/93
<9> <9> <9> <9> <AUDIO> <5> .. for LX3600D India Kit
<9> <9> <9> <9> <AUDIO> <7> . for LX3600D Brazil Kit
<9> <9> <9> <9> <AUDIO> <1> ............ for MRD260/22
* Note: Applicable for software version 27 onwards. For lower versions the set must be upgraded first before the DVD version matrix is applicable.
After repair of the Mono AV board the customer setting and region code may be lost.
Reprogramming will put the set back in the state in which it has left the factory, ie. with the default setting and the allowed region code.
To reprogram do as follows:
1) Put the set in Stop mode with tray open
2) Press the following buttons on the Remote Control:
<9> <9> <9> <9> <AUDIO> <8> ........... for LX3600D/17
<9> <9> <9> <9> <AUDIO> <1> ........... for LX3600D/22
<9> <9> <9> <9> <AUDIO> <1> ........... for LX3600D/25
<9> <9> <9> <9> <AUDIO> <3> ........... for LX3600D/69
<9> <9> <9> <9> <AUDIO> <4> ........... for LX3600D/75
<9> <9> <9> <9> <AUDIO> <6> ........... for LX3600D/78
<9> <9> <9> <9> <AUDIO> <2> ........... for LX3600D/93
<9> <9> <9> <9> <AUDIO> <5> .. for LX3600D India Kit
<9> <9> <9> <9> <AUDIO> <7> . for LX3600D Brazil Kit
<9> <9> <9> <9> <AUDIO> <1> ............ for MRD260/22
* Note: Applicable for software version 27 onwards. For lower versions the set must be upgraded first before the DVD version matrix is applicable.
Procedure
for check Software version
1) Power up the set and open tray in DVD mode.
2) Press OSD button on the Remote control.
3) The TV screen will shows: SERVO:nnnnnnnn REG:r
MMMMMMM-yymmdd-Vxx SSS
where
nnnnnnnn = servo version number
r = region number
MMMMMMM = LX3600D or MRD260
yymmdd = software date in year, month, day format xx = version number
SSS = stroke version eg. /00 or /05, etc.
1) Power up the set and open tray in DVD mode.
2) Press OSD button on the Remote control.
3) The TV screen will shows: SERVO:nnnnnnnn REG:r
MMMMMMM-yymmdd-Vxx SSS
where
nnnnnnnn = servo version number
r = region number
MMMMMMM = LX3600D or MRD260
yymmdd = software date in year, month, day format xx = version number
SSS = stroke version eg. /00 or /05, etc.
Procedure
to upgrade software
1) Power up the set and open tray in DVD mode.
2) Place upgrade CD-ROM onto tray and close.
3) The set will response and display the following:
- LOAD [After the disc is read, the tray will open for you
o remove the disc]
- ERASE 0 -> ERASE F ...... -> ERASE 0
- WRITE F ...... -> WRITE 0
- UPG END [only for a short moment, if unsuccessful ERROR is displayed]
- DISC
- LOAD [Tray will close indicating that the upgrade process is completed]
4) Unplug the set to disconnect the mains supply.
5) The whole process should last for about 5 minutes.
1) Power up the set and open tray in DVD mode.
2) Place upgrade CD-ROM onto tray and close.
3) The set will response and display the following:
- LOAD [After the disc is read, the tray will open for you
o remove the disc]
- ERASE 0 -> ERASE F ...... -> ERASE 0
- WRITE F ...... -> WRITE 0
- UPG END [only for a short moment, if unsuccessful ERROR is displayed]
- DISC
- LOAD [Tray will close indicating that the upgrade process is completed]
4) Unplug the set to disconnect the mains supply.
5) The whole process should last for about 5 minutes.
AMPLIFIER
SECTION
# Clock oscillator
The clock frequency is generated around IC7600. Using 2 extra transistors (7602 and 7608) and 2 ceramic resonators it can be operated at 2 frequencies: 602.7kHz and 700kHz. The frequency is selected by the signal “FREQ_HOP” coming from connector 1301 pin 9. When FREQ_HOP is low, the output of 7600-1 will be high. This switches transistor 7602 on, and connects resonator 1600 (602.7kHz) to inverter 7600-3. Similarly, when FREQ_HOP is high, resonator 1601 is connected to 7600-3. The output frequency is divided by two by IC7607, resulting in 301.35kHz or 350kHz. The purpose of a selectable clock frequency is related to the disturbance of the tuner which is built-in together with this amplifier. In MW, the software of the set microprocessor will select the other clock frequency in case the amplifier clock interferes with the tuned station.
# Class-D amplifier TDA8920 and low-pass filter
The TDA8920 is a two channel audio power amplifier using class-D technology. The audio input signal is converted into a digital Pulse Width Modulated (PWM) signal via an analog input stage and PWM modulator. It is then fed to the power stage which outputs a high power PWM signal which switches between the main supply lines. The TDA8920 is followed by a 2nd-order low-pass filter. It has a cut-off frequency around 50kHz and converts the PWM signal into analog audio signal across the loudspeaker. The TDA8920 has a temperature protection and a current limiter built-in. Furthermore, the IC can be put in active, mute and standby mode.
- Active mode (amplifier fully operational) with output signal.
- Mute mode; the amplifiers are operational, but the audio is muted
- Standby mode; with a very low supply current, the output stage is switched off.
# DC-detection
The DC-detection circuit monitors all 6 outputs for DC. Whenever one or more outputs contain DC for more than 1 second, the circuit will be activated. A positive voltage will activate transistor 7710 and pin 10 of connector 1301 will be pulled down. In case of a negative voltage, transistor 7716 will be activated, which in turn activates 7710. The set microprocessor will take further action.
The clock frequency is generated around IC7600. Using 2 extra transistors (7602 and 7608) and 2 ceramic resonators it can be operated at 2 frequencies: 602.7kHz and 700kHz. The frequency is selected by the signal “FREQ_HOP” coming from connector 1301 pin 9. When FREQ_HOP is low, the output of 7600-1 will be high. This switches transistor 7602 on, and connects resonator 1600 (602.7kHz) to inverter 7600-3. Similarly, when FREQ_HOP is high, resonator 1601 is connected to 7600-3. The output frequency is divided by two by IC7607, resulting in 301.35kHz or 350kHz. The purpose of a selectable clock frequency is related to the disturbance of the tuner which is built-in together with this amplifier. In MW, the software of the set microprocessor will select the other clock frequency in case the amplifier clock interferes with the tuned station.
# Class-D amplifier TDA8920 and low-pass filter
The TDA8920 is a two channel audio power amplifier using class-D technology. The audio input signal is converted into a digital Pulse Width Modulated (PWM) signal via an analog input stage and PWM modulator. It is then fed to the power stage which outputs a high power PWM signal which switches between the main supply lines. The TDA8920 is followed by a 2nd-order low-pass filter. It has a cut-off frequency around 50kHz and converts the PWM signal into analog audio signal across the loudspeaker. The TDA8920 has a temperature protection and a current limiter built-in. Furthermore, the IC can be put in active, mute and standby mode.
- Active mode (amplifier fully operational) with output signal.
- Mute mode; the amplifiers are operational, but the audio is muted
- Standby mode; with a very low supply current, the output stage is switched off.
# DC-detection
The DC-detection circuit monitors all 6 outputs for DC. Whenever one or more outputs contain DC for more than 1 second, the circuit will be activated. A positive voltage will activate transistor 7710 and pin 10 of connector 1301 will be pulled down. In case of a negative voltage, transistor 7716 will be activated, which in turn activates 7710. The set microprocessor will take further action.
90W
Resonant SMPS with TEA1610 SwingChip
The SwingChip TEA1610
controller is a monolithic integrated circuit and is implemented on the 650V
BCD power logic process. The IC provides the drive function for two discrete
power MOSFETs in a half bridge configuration and is a high voltage controller
for a zero-voltage switching resonant converter. To guarantee an accurate 50%
duty cycle, the oscillator signal passes through a divider before being fed to
the output drivers. This application note briefly describes a 90W Resonant
Converter for a typical TV or monitor application based upon the TEA1610
controller. The converter is composed of two bi-directional switches and a
resonant LLCcircuit. To limit the costs the two inductors are integrated in one
transformer: a magnetising inductance and a leakage inductance, which is
cheaper than two separate coils. With a certain coupling of about 0.6 the
leakage inductance is given the required value. The outputs are mains isolated
and the 80V is controlled secondary. The converter has a high performance
efficiency and a very good cross regulation.
FEATURES
# Full mains input range 85-276VAC
# Continuous Output Power 90W
# Output voltages: 190V, 80V, +13V, +5V, -6.2V and -13V
# Zero voltage switching
# (EMI friendly)
# Main output short circuit proof
# Full mains input range 85-276VAC
# Continuous Output Power 90W
# Output voltages: 190V, 80V, +13V, +5V, -6.2V and -13V
# Zero voltage switching
# (EMI friendly)
# Main output short circuit proof
Start-up
The TEA1610 is supplied by the applied voltage on the Vdd pin. At a Vdd voltage of 4V the low side MOSFET is conducting and the high side MOSFET is does not conduct. This start-up output state guarantees the initial charging of the bootstrap capacitor which is used for the floating supply of the high side driver.
During start-up, the voltage across the frequency capacitor C17 is zero to have a defined start-up. The output voltage of the error amplifier is kept on a constant voltage of 2.7V, which forces a current through R4 that results in a maximum starting frequency (fmax). The start-up state will be maintained until the Vdd voltage reaches the start level of 13.5V, the oscillator is activated and the converter starts operating The total start-up time is low (less than approx. 600ms.) and no overshoots are presented on Vout1 (80V) during start-up. The initial primary start-up current is kept lower than the OCP level. This is done via the soft start option of the TEA1610 via soft start capacitor C31. Soft start can also be done secondary with an additional circuit R11, R18, C22 and D16. A disadvantage of this circuit is that during the first switching stage the primary current can still be higher than the OCP level. With the TEA1610 this circuit is not necessary and via the soft start capacitor this disadvantage will be avoided.
The TEA1610 is supplied by the applied voltage on the Vdd pin. At a Vdd voltage of 4V the low side MOSFET is conducting and the high side MOSFET is does not conduct. This start-up output state guarantees the initial charging of the bootstrap capacitor which is used for the floating supply of the high side driver.
During start-up, the voltage across the frequency capacitor C17 is zero to have a defined start-up. The output voltage of the error amplifier is kept on a constant voltage of 2.7V, which forces a current through R4 that results in a maximum starting frequency (fmax). The start-up state will be maintained until the Vdd voltage reaches the start level of 13.5V, the oscillator is activated and the converter starts operating The total start-up time is low (less than approx. 600ms.) and no overshoots are presented on Vout1 (80V) during start-up. The initial primary start-up current is kept lower than the OCP level. This is done via the soft start option of the TEA1610 via soft start capacitor C31. Soft start can also be done secondary with an additional circuit R11, R18, C22 and D16. A disadvantage of this circuit is that during the first switching stage the primary current can still be higher than the OCP level. With the TEA1610 this circuit is not necessary and via the soft start capacitor this disadvantage will be avoided.
Under
Voltage Lock Out (UVLO)
and Short Circuit Protection
When the voltage level Vaux becomes too low the controller stops its operation (UVLO). This feature enables the safe restart mode during which the controller is alternately active and not active. When the main output (Vout1) gets short circuited, the controller supply voltage Vaux will drop because the transformer take-over winding 1-2 fails to charge capacitors C17 and C20. Vaux drops below UVLO and the controller enters safe restart mode. This situation persists until the short circuit is removed.
and Short Circuit Protection
When the voltage level Vaux becomes too low the controller stops its operation (UVLO). This feature enables the safe restart mode during which the controller is alternately active and not active. When the main output (Vout1) gets short circuited, the controller supply voltage Vaux will drop because the transformer take-over winding 1-2 fails to charge capacitors C17 and C20. Vaux drops below UVLO and the controller enters safe restart mode. This situation persists until the short circuit is removed.
Over
Voltage Protection (OVP)
When the voltage level Vaux becomes too high the controller also stops its operation (OVP). Because Vaux is a reflection of the output voltage, this feature limits the output voltage level.
When the voltage level Vaux becomes too high the controller also stops its operation (OVP). Because Vaux is a reflection of the output voltage, this feature limits the output voltage level.
Over
Current Protection (OCP)
When the (primary) resonant current becomes too large the controller stops its operation This protect the MOSFETs for failure due to large currents. The current is measured by R35, that converts it to a voltage, which can activate the ShutDown (SD) via D14. During start-up the first period of the resonant current contains an amplitude that exceeds the OCP_level. To avoid that the controller stops its operation the SD is kept low during start-up for a short while (about 600ms), with an additional circuit.
When the (primary) resonant current becomes too large the controller stops its operation This protect the MOSFETs for failure due to large currents. The current is measured by R35, that converts it to a voltage, which can activate the ShutDown (SD) via D14. During start-up the first period of the resonant current contains an amplitude that exceeds the OCP_level. To avoid that the controller stops its operation the SD is kept low during start-up for a short while (about 600ms), with an additional circuit.
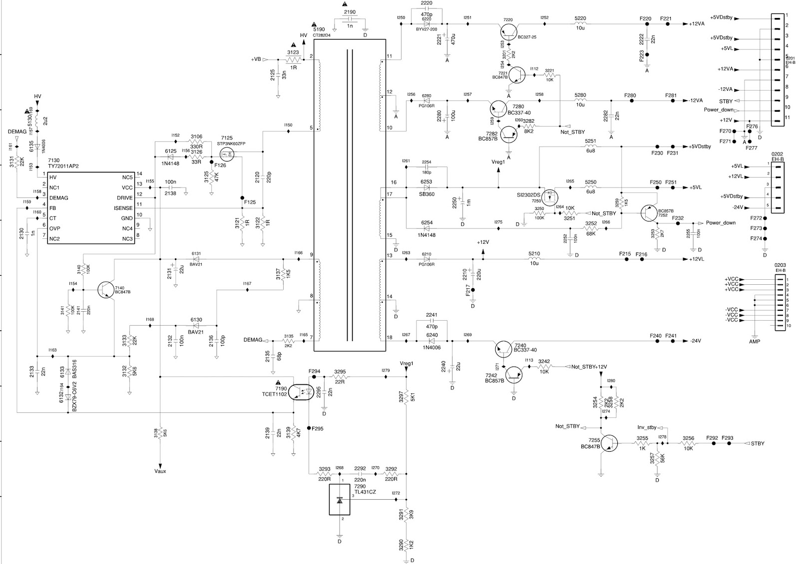
POWER SUPPLY SCHEMATIC DIAGRAM
CLICK ON THE IMAGES TO ZOOM IN


