Sanyo LED 22XR10F - LED-LCD TV How to upgrade the software – How to enter service mode - SMPS and back-light inverter schematic
How to upgrade the software – How to enter service mode - Sanyo LED 22XR10F - LED-LCD TV - SMPS and back-light inverter schematic - Firmware update - Service adjustments
Method
of software upgrading
Factory
software burned instructions
Note 1:
Method of write-protect setup: enter into burning interface of ALL-100,
tick option “Config”, press item “config Setting”, set option “Protect”
as “All Protect”; make sure that option “Config” must be ticked before
burning software and write-protect must be reset after ALL-100 burning
software is opened every time.
Note 2:
Method of burning and upgrading software online by using ISP burning
device: a) For main board upgrade: connect 4-pin cable of ISP burning
device to Debug port of main board (X107); for the unit upgrade, connect
both VGA ports of ISP burning device and main board, enter into factory menu and set item “Other Settings ->ISP Mode” as “ON”;
b)
Using Mstar online burning program(V4.4.2.0 and higher versions), enter
into menu “Device”, tick option “WP Pin pull to high during ISP” ,
ensure that hardware write-protect of Flash is removed and erasing
process is normal,
c)
Press menu “Connect”, a dialog box “Device Type is MX25L64 will pop up, that
is, connection has been successful, please refer to Fig. if connection is
failed, press the first menu “Device” to select SPI Flash type “MX25L64”
manually, then press menu “Connect” again;
d)
Press menu “Read”, select burning file, such as “MERGE.bin”,
e)
Press menu “Auto”, tick options “All chip”, “program” and relative option
switches, please refer to Fig, press key “Run” to begin burning;
f)
Burning process has two steps: Erase and Program;
1) First, the step “Erasing…, Flash Status: 03” will last for some time, or it is failed if it is passed by quickly, please confirm procedure 2)and begin burning process again;
2) Then the following step is “Programming…, Flash Status:00”;
3) A prompt “Pass” will display at last;
g) A prompt “Pass” will display if burning process is successful, please refer to Fig
1) First, the step “Erasing…, Flash Status: 03” will last for some time, or it is failed if it is passed by quickly, please confirm procedure 2)and begin burning process again;
2) Then the following step is “Programming…, Flash Status:00”;
3) A prompt “Pass” will display at last;
g) A prompt “Pass” will display if burning process is successful, please refer to Fig
h) If there are other machines to be burned, remain ISP burning interface and repeat procedures
c)to e)only;
Note 3: Method of online burning and upgrade through USB:
a) Make sure that U disk is formatted as “FAT32”;
b) Copy firmware to U disk with name of “Merge.bin”;
c) Turn on the TV set, make sure current channel is ATV or DTV;
1) First, press key “SOURCE”, press keys “2, 5, 8, 0” in turn to enter into initial factory menu;
2) Then, enter into factory menu, select item “Software Update” to begin upgrade;
d) Detailed upgrading processes are below:
1) Read data from USB memory, while its indicating light is twinkling at the same time;
2) Begin to burn flash, the unit will be in “standby” mode after burning;
e)
Power off and then restart the unit, enter into factory menu, confirm
software parameters – version and time, then execute “RESET ALL” to
complete the whole upgrading processes;
*
USB burning method could not be sure to be applicable to all kinds of U disks,
so please try other kinds of U disk if one is inapplicable.
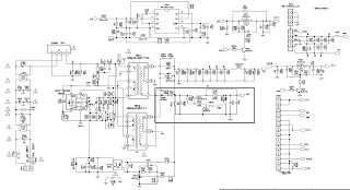
SMPS and Back-light inverter schematic
Unit adjustment
According
to the wiring diagram “9219KH7201JL”, connect power board, main board,
IR board correctly, then switch on main power and press key “standby” to
turn on the TV set, check if the display is normal.
Using method of factory menu
a) Press key “SOURCE” first, then press keys “2, 5, 8, 0” in turn to enter into initial factory menu;
b) Press keys “▲” and “▼” to move cursor to the item of factory menu, press key “OK” to enter into the inferior factory menu from current menu page;
c) Press keys “▲” and “▼” to move cursor upwards or downwards within one page;
d) Press keys “◄” and “►” to change the value when cursor is moved onto one item;
a) Press key “SOURCE” first, then press keys “2, 5, 8, 0” in turn to enter into initial factory menu;
b) Press keys “▲” and “▼” to move cursor to the item of factory menu, press key “OK” to enter into the inferior factory menu from current menu page;
c) Press keys “▲” and “▼” to move cursor upwards or downwards within one page;
d) Press keys “◄” and “►” to change the value when cursor is moved onto one item;
e) Press key “MENU” to exit current menu to its superior factory menu;
f) Press key “EXIT” to exit factory menu in any case;
g) Press key “OK” to enter into inferior menu;
h) Factory menu item: ADC ADJUST, for ADC calibration of VGA and Component;
i) Factory menu item: W/B ADJUST, for white balance adjustment;
j) Factory menu item: POWER Mode, for setting power-on mode; the default setting is “Standby” mode unless specified by customer;
Standby: TV set will be in “standby” mode after power-on;
MEM: TV set will keep states before last power-off;
ForceOn: TV set will turn on automatically; it also can be used as aging mode at factory;
k) Factory menu item: Other
Setting-> AUDIO Curve Setting, for sound curve adjustment; the item
has been preset according to the model usually, so it should not need to
be adjusted without special customer requirements;
l) Factory menu item: EEPROM Init, for factory and customer data initialization; TV set will
reset and initial guiding interface will display after executing the item;
m) Factory menu item: Fac. Channel
Preset., for factory channels presetting; it is necessary to connect to
central signal source before operating the item; now digital frequency
of central signal CH28( 529.5 MHz)and CH33 ( 564.5 MHz)are distributed
to Australia programs DVB-T; original preset digital programs will not
change along with the modification of central signal, so please operate
item “DTV” of menu “Channel” to search digital programs, the operate
will last 15s.
n) Factory menu item: Shipment, all
ATV & DTV programs for factory adjustment will be cleared out
first, then customer ATV channels will be preset according to order
requirements; the item must be executed before shipment to clear out
channels for factory adjustment;
o) Factory menu item: Other
Setting->ISP Mode, default setting is “OFF”, it will not be kept in
memory, that is, it will always in “OFF” mode after turning on TV set
again;
“OFF”: DDC function of VGA port will recover;
“ON”: software can be upgraded from VGA port after connecting ISP device ;
Note:
Please execute “RESET ALL” before adjustment for the first time if EEPROM
contains data or after software upgrading;
p) Factory menu item: Backlight, for adjusting brightness of backlight; test voltage of X401-12# (PWM) to make it within the range of PWM voltage corresponding to maximum brightness specified by panel specification; the item need not adjustment for it has been preset by software;
p) Factory menu item: Backlight, for adjusting brightness of backlight; test voltage of X401-12# (PWM) to make it within the range of PWM voltage corresponding to maximum brightness specified by panel specification; the item need not adjustment for it has been preset by software;
q)
Factory menu item: Software Update, for software upgrade, refer to software
upgrade instruction in detail;
r) Factory menu item: Other Setting->MST DEBUG, default setting is “OFF”, the item cannot be kept, that is the setting is always “OFF” after power on again;
ON: it is convenient for debug;
OFF: RS232 function can be matched to design specification for engineering model;
s) Factory menu item: Aging mode, for machine aging at factory, enter into aging mode, press key “ ” of remote control to begin aging process, press any key on key board can exit aging mode;
t) Factory menu item: Other Setting->SSC ADJUST, for expanded spectrum adjustment; the item need not adjustment for it has been preset by software;
r) Factory menu item: Other Setting->MST DEBUG, default setting is “OFF”, the item cannot be kept, that is the setting is always “OFF” after power on again;
ON: it is convenient for debug;
OFF: RS232 function can be matched to design specification for engineering model;
s) Factory menu item: Aging mode, for machine aging at factory, enter into aging mode, press key “ ” of remote control to begin aging process, press any key on key board can exit aging mode;
t) Factory menu item: Other Setting->SSC ADJUST, for expanded spectrum adjustment; the item need not adjustment for it has been preset by software;
ADC
ADC calibration of analog VGA
a) Switch to VGA channel;
b) Press key “SOURCE”, then press keys “2, 5, 8, 0” in turn to enter into initial factory menu;
c) Move cursor to item “ADC ADJUST” and press key “OK” to enter into inferior factory menu; Input VGA signal( VG848 Timing 856(1024×768/60 Hz) ,Pattern 914 Color Temp) ; move cursor to item “MODE ”, press keys “▲” and “▼” to select item “RGB”, then move cursor to item “AUTO ADC” and press key “OK” to begin auto-adjustment until prompt “SUCCESS” displays which means successful auto-calibration;
ADC calibration of analog VGA
a) Switch to VGA channel;
b) Press key “SOURCE”, then press keys “2, 5, 8, 0” in turn to enter into initial factory menu;
c) Move cursor to item “ADC ADJUST” and press key “OK” to enter into inferior factory menu; Input VGA signal( VG848 Timing 856(1024×768/60 Hz) ,Pattern 914 Color Temp) ; move cursor to item “MODE ”, press keys “▲” and “▼” to select item “RGB”, then move cursor to item “AUTO ADC” and press key “OK” to begin auto-adjustment until prompt “SUCCESS” displays which means successful auto-calibration;
ADC calibration of analog YPbPr
a) Switch to analog YPbPr channel;
b) Press key “SOURCE”, then press keys “2, 5, 8, 0” in turn to enter into initial factory menu;
c) Move cursor to item “ADC ADJUST” and press key “OK” to enter into inferior factory menu;
d)
Input analog YPbPr signal( VG848 Timing 976( 1080i) ,Pattern 918 SMPTE
Color Bar); move cursor to item “MODE ” press keys “▲” and “▼” to select
item “YPbPr” then move cursor to item “AUTO ADC” and press key “ENTER”
to begin auto-adjustment until prompt “SUCCESS” displays which means successful auto-calibration.
White balance adjustment
Unless specified by customer:
Default
color temperature “Cool” is 12000K and its chromatic coordinates is
(272, 278); color temperature “Normal” is 9300K and its chromatic
coordinates is (285, 293); color temperature “Warm” is 6500K and its
chromatic coordinates is (323, 329);
Adjustment procedure
TV
set should be working over 30 mins to be in stabler state before white
balance adjustment; Use white balance apparatus CA-210 and switch to its
BBY channel;
a) Switch to HDMI1 channel;
b) Press key “SOURCE”, then press keys “2, 5, 8, 0” in turn to enter into initial factory menu;
c) Move cursor to item “W/B ADJUST” and press key “OK” to enter into inferior factory menu;
d) Input DVI/HDMI signal (VG-848 Timing:856(1024×768/60 Hz), Pattern:921(Gray 16 step(H)); move cursor to item “MODE”, press keys “▲” and “▼” to select item “HDMI1” or other HDMI channels, then move cursor to item “TEMPERATURE” and press keys “▲” and “▼” to select item “COOL”;
e) Adjust items “R-GAIN, G-GAIN, B-GAIN” to set chromatic coordinates of 14th scale as ( 272、 278);
f) Adjust items “R-OFFSET, G-OFFSET, B-OFFSET” to set chromatic coordinates of 4th scale as( 272、 278);
g) During adjustment , make sure that chromatic coordinates errors of bright scale and dark scale are both (X=272±10 Y=278±10);
h) Move cursor to item “COPY ALL” again to copy data of white balance to other channels except DTV channel;
i) Check if chromatic coordinates of “HDMI NORMAL” and “WARM” meet the requirements or not, if not, adjust items “R-GAIN/B-GAIN/R-OFFSET/B-OFFSET” to meet them: chromatic coordinates errors of bright & dark scales are both (x±10, y±10),
j) Check if “COOL, NORMAL, WARM” chromatic coordinates of other channels meet the requirements, if not, adjust them respectively with the same method as HDMI channel’s and by using 16 grey step signal all, exit menu “W/B ADJUST” after completing adjustment, the data will be saved automatically;
k)
DTV channel adjustment: switch to DTV channel, select 16 grey step
program, enter into factory menu, adjust white balance followed by steps
e), f), g);b) Press key “SOURCE”, then press keys “2, 5, 8, 0” in turn to enter into initial factory menu;
c) Move cursor to item “W/B ADJUST” and press key “OK” to enter into inferior factory menu;
d) Input DVI/HDMI signal (VG-848 Timing:856(1024×768/60 Hz), Pattern:921(Gray 16 step(H)); move cursor to item “MODE”, press keys “▲” and “▼” to select item “HDMI1” or other HDMI channels, then move cursor to item “TEMPERATURE” and press keys “▲” and “▼” to select item “COOL”;
e) Adjust items “R-GAIN, G-GAIN, B-GAIN” to set chromatic coordinates of 14th scale as ( 272、 278);
f) Adjust items “R-OFFSET, G-OFFSET, B-OFFSET” to set chromatic coordinates of 4th scale as( 272、 278);
g) During adjustment , make sure that chromatic coordinates errors of bright scale and dark scale are both (X=272±10 Y=278±10);
h) Move cursor to item “COPY ALL” again to copy data of white balance to other channels except DTV channel;
i) Check if chromatic coordinates of “HDMI NORMAL” and “WARM” meet the requirements or not, if not, adjust items “R-GAIN/B-GAIN/R-OFFSET/B-OFFSET” to meet them: chromatic coordinates errors of bright & dark scales are both (x±10, y±10),
j) Check if “COOL, NORMAL, WARM” chromatic coordinates of other channels meet the requirements, if not, adjust them respectively with the same method as HDMI channel’s and by using 16 grey step signal all, exit menu “W/B ADJUST” after completing adjustment, the data will be saved automatically;
Refer to the adjusting rules as follows
B
Gun: coordinates of X and Y will increase when B gun is adjusted
downwards; coordinates of X and Y will decrease when B gun is adjusted
upwards;
R
Gun: adjusting R gun will effect coordinate of X, and value of Lv
slightly; coordinate of X will increase when R gun is adjusted upwards;
coordinate of X will decrease when R gun is adjusted downwards;
G
Gun: adjusting G gun will effect coordinate of Y, and value of Lv
greatly; coordinate of Y will increase when G gun is adjusted upwards; coordinate of Y will decrease when G gun is adjusted downwards.
MSD209GL-LF
The MSD209GL is a highly integrated controller
IC for LCD/PDP DTV applications with resolutions up to full-HD(1920 x 1080). It
is configured with an integrated triple-ADC/PLL, a multi-standard TV video and audio
decoder, a motion adaptive video de-interlacer, a scaling engine, the
MStarACE-3 color engine, an advanced 2D graphics engine, a transport processor,
a high-definition (HD) MPEG video decoder, a high-definition (HD) H.264 video
decoder, a RealVideo decoder, a JPEG video decoder, a MPEG-4 decoder, and a
24-bit DSP for MPEG audio decoding, a DVI/HDCP/HDMI receiver, and a peripheral control
unit providing a variety of HDTV control functions.
For digital TV application, the MSD209GL comprises an MPEG-2 transport processor with advanced section filtering capability, an MPEG-2 (MP@HL profile) video decoder, a MPEG-4 decoder, a H.264 video decoder, and an audio DSP decoder for MPEG audio streams, MPEG layer I and II digital audio decoder with analog audio outputs that are designed to support existing and future DVB-T programs while handling conditional access. Furthermore,it is also possible to decode JPEG, RealVideo streams, and MP3 formats from external sources such as USB interface.
For analog TV, the MSD209GL includes NTSC/PAL/SECAM multi-standard video decoder comprising a 3D motion adaptive comb filter and time-based correction, and a NICAM/A2 audio decoder to support worldwide television standards. The MSD209GL is also configured with a VBI processor to decode digital information such as Close Caption/V-chip/teletext/WSS/CGMS-A/VPS. In addition, the MStar advanced LCD TV processor enhances video quality, motion adaptive de-interlacer, picture quality adjustment units, and MStarACE-3 color engine.
For digital TV application, the MSD209GL comprises an MPEG-2 transport processor with advanced section filtering capability, an MPEG-2 (MP@HL profile) video decoder, a MPEG-4 decoder, a H.264 video decoder, and an audio DSP decoder for MPEG audio streams, MPEG layer I and II digital audio decoder with analog audio outputs that are designed to support existing and future DVB-T programs while handling conditional access. Furthermore,it is also possible to decode JPEG, RealVideo streams, and MP3 formats from external sources such as USB interface.
For analog TV, the MSD209GL includes NTSC/PAL/SECAM multi-standard video decoder comprising a 3D motion adaptive comb filter and time-based correction, and a NICAM/A2 audio decoder to support worldwide television standards. The MSD209GL is also configured with a VBI processor to decode digital information such as Close Caption/V-chip/teletext/WSS/CGMS-A/VPS. In addition, the MStar advanced LCD TV processor enhances video quality, motion adaptive de-interlacer, picture quality adjustment units, and MStarACE-3 color engine.
Schematic
With
USB 2.0 host controllers, UART, IR, SPI, I2C, and PWM, the MSD209GL
fulfills all requirements in advanced DTV sets. To reduce system costs,
the MSD209GL also integrates intelligent power management control
capability for green-mode requirements and spread-spectrum support for
EMI management.
MSD209GL Features
Twin-turbo
8051 Micro-controller
> Twin-turbo 8051 MCU
> Interrupt controller
> Supports ISP
> Two full duplex UARTs
> DMA engine to speed up large data movement Transport Stream De-multiplexer
> One external TS input and one internal TS data path
> Supports serial TS interface, with or without sync signal
> Maximum TS data rate is 104 Mb/sec
> 32 general purpose PID filters and section filters for each transport stream de-multiplexer
> One video PES and one audio PES channel
> Supports DVB subtitle and digital teletext
> Twin-turbo 8051 MCU
> Interrupt controller
> Supports ISP
> Two full duplex UARTs
> DMA engine to speed up large data movement Transport Stream De-multiplexer
> One external TS input and one internal TS data path
> Supports serial TS interface, with or without sync signal
> Maximum TS data rate is 104 Mb/sec
> 32 general purpose PID filters and section filters for each transport stream de-multiplexer
> One video PES and one audio PES channel
> Supports DVB subtitle and digital teletext
> Supports additional
audio/video/PCR filters
> Supports TS DMA channel for time-shift
> Supports AES encryption/decryption
> Supports TS DMA channel for time-shift
> Supports AES encryption/decryption
MPEG-2 A/V Decoder
> ISO/IEC 13818-2 MPEG-2 video MP@HL
> Automatic frame rate conversion
> Supports resolution in HDTV (1080i, 720p) and SDTV
> Supports MPEG-1, MPEG-2 (Layer I/II), Dolby Digital (AC-3), and AAC audio decoding
> Optionally Supports Dolby Digital Plus (E-AC-3) decoding, and Dolby Digital Compatible Output (DDCO) for HE-AAC to DD transcoding.
MPEG-4 Video Decoder
> ISO/IEC 14496-2 MPEG-4 ASP video decoding
> Supports resolution in HDTV (1080p@30fps)
> Supports DivX3 Home Theater or HD profile
H.264 Decoder
> ITU-T H.264, ISO/IEC 14496-10 (main and high
> profile up to level 4.0) video decoding
> Supports resolutions for all DVB, ATSC, HDTV,DVD and VCD
> Supports resolution up to 1080p@30fps
> Supports CABAC and CAVLC stream types
> Processing of ES and PES streams, extractions and provision of time stamps.
RealMedia Decoder
> Supports maximum resolution up to 720p@30fps
> Supports RV8, RV9, RV10, RA8-LBR and HE-AAC decoders
> Supports file formats with RM and RMVB
> Supports Picture Re-sampling
> Supports in-loop de-block for B-frame
Hardware JPEG
> Supports sequential mode, single scan
> Supports both color and grayscale picture
> Operates in scan unit; hardware decoder will handle the bit stream after scan header
> Supports programmable region of interest (ROI)
> Supports format: 422/411/420/444/422T
> Decoded picture will be stored in DRAM with UYVY format
> Supports scaling down ratio: 1/2, 1/4, 1/8,applied to height and width simultaneously
> Supports picture rotation.
NTSC/PAL/SECAM
Video Decoder
> Supports NTSC-M, NTSC-J, NTSC-4.43, PAL (B,D, G, H, M, N, I, Nc), and SECAM
> Automatic TV standard detection
> Motion adaptive 3D comb filter for NTSC/PAL
> Seven configurable CVBS & Y/C S-video inputs
> Supports Teletext level-1.5, Closed Caption(analog CC 608/ analog CC 708/digital CC 608/digital CC 708), V-chip and SCTE
> Two CVBS video outputs
> Supports NTSC-M, NTSC-J, NTSC-4.43, PAL (B,D, G, H, M, N, I, Nc), and SECAM
> Automatic TV standard detection
> Motion adaptive 3D comb filter for NTSC/PAL
> Seven configurable CVBS & Y/C S-video inputs
> Supports Teletext level-1.5, Closed Caption(analog CC 608/ analog CC 708/digital CC 608/digital CC 708), V-chip and SCTE
> Two CVBS video outputs
Multi-Standard TV Sound
Processor
> Supports BTSC/A2/EIA-J demodulation in NTSC and A2/NICAM/FM/AM demodulation in PAL
> Supports MTS Mode Mono/Stereo/SAP in BTSC/EIA-J and Mono/Stereo/Dual in A2/NICAM
> L/R audio line-in x5 and SIF audio input
> L/R speaker and 2 additional L/R audio line-out
> Built-in audio sampling rate conversion (SRC)
> Built-in audio ADC
> Built-in audio DAC’s
> Audio processing for loudspeaker channel,including volume, balance, mute, tone, EQ,virtual stereo/surround, and treble/bass
> Advanced soundOptional available (Dolby, SRS,BBE… etc)
> Supports digital audio format decoding:
¾ MPEG-1, MPEG-2 (Layer I/II), MP3, AC-3 (Dolby Digital), AAC-LC, WMA
¾ E-AC-3 (Dolby Digital Plus) decoding and E-AC-3 to AC-3 conversion at the same time
> Supports BTSC/A2/EIA-J demodulation in NTSC and A2/NICAM/FM/AM demodulation in PAL
> Supports MTS Mode Mono/Stereo/SAP in BTSC/EIA-J and Mono/Stereo/Dual in A2/NICAM
> L/R audio line-in x5 and SIF audio input
> L/R speaker and 2 additional L/R audio line-out
> Built-in audio sampling rate conversion (SRC)
> Built-in audio ADC
> Built-in audio DAC’s
> Audio processing for loudspeaker channel,including volume, balance, mute, tone, EQ,virtual stereo/surround, and treble/bass
> Advanced soundOptional available (Dolby, SRS,BBE… etc)
> Supports digital audio format decoding:
¾ MPEG-1, MPEG-2 (Layer I/II), MP3, AC-3 (Dolby Digital), AAC-LC, WMA
¾ E-AC-3 (Dolby Digital Plus) decoding and E-AC-3 to AC-3 conversion at the same time
Digital Audio Interface
> I2S digital audio input & output
> S/PDIF digital audio input & output
> HDMI audio channel processing capability
> Programmable delay for audio/video synchronization.
Analog RGB Compliant Input Ports
> Three analog ports support up to 1080P
> Supports PC RGB input up to SXGA@75Hz
> Supports HDTV RGB/YPbPr/YCbCr
> Supports Composite Sync and SOG (Sync-on-Green) separator
> Automatic color calibration
Auto-Configuration/Auto-Detection
> Auto input signal format and mode detection
> Auto-tuning function including phasing,positioning, offset, gain, and jitter detection
> Sync Detection for H/V Sync
DVI/HDCP/HDMI Compliant Input Port
> Three DVI/HDCP/HDMI input ports support up to 225MHz @ 1080P 60Hz with 12-bit deep-colorresolution
> Single link on-chip DVI 1.0 compliant receiver
> High-bandwidth Digital Content Protection
> (HDCP) 1.1 compliant receiver
> High Definition Multimedia Interface (HDMI) 1.3 compliant receiver with CEC (Consumer Electronics Control) support
> Long-cable tolerant robust receiving.
MACE-4,
MStar Advanced Color Engine year 2009 Edition, provides superb visual quality
for wider gamut FHD panels
> Fully programmable shrink/zoom capabilities
> Panorama and various scaling supports
> 3D motion adaptive video de-interlacers with de-flickering and edge smoothing functions
> Automatic 3:2 pull-down & 2:2 pull-down detection and recovery
> Fully programmable shrink/zoom capabilities
> Panorama and various scaling supports
> 3D motion adaptive video de-interlacers with de-flickering and edge smoothing functions
> Automatic 3:2 pull-down & 2:2 pull-down detection and recovery
> Automatic picture
enhancement:
¾ Dynamic brilliant and fresh color
¾ Dynamic Blue Stretch
¾ Intensified contrast and details
¾ Dynamic Vivid Skin
¾ Dynamic sharpened Luma/Chroma edges
¾ Enhanced depth of field perception
¾ Accurate and independent color control
> Supports sRGB and xvYCC color processing
> Supports HDMI 1.3 deep color format
> Supports linear/nonlinear color mapping for wider gamut panels
> 10-bit internal data processing
> Programmable 12-bit RGB gamma CLUT
> 3D video noise reduction
> MPEG artifact removal including de-blocking and mosquito noise reduction
> Frame rate conversion
¾ Dynamic brilliant and fresh color
¾ Dynamic Blue Stretch
¾ Intensified contrast and details
¾ Dynamic Vivid Skin
¾ Dynamic sharpened Luma/Chroma edges
¾ Enhanced depth of field perception
¾ Accurate and independent color control
> Supports sRGB and xvYCC color processing
> Supports HDMI 1.3 deep color format
> Supports linear/nonlinear color mapping for wider gamut panels
> 10-bit internal data processing
> Programmable 12-bit RGB gamma CLUT
> 3D video noise reduction
> MPEG artifact removal including de-blocking and mosquito noise reduction
> Frame rate conversion
Output
Interface
> Supports up to 10-bit dual LVDS full-HD (1920 x 1080) panel interface
> Supports 2 data output formats: Thine & TI data mappings
> Compatible with TIA/EIA
> With 6/8 bits optional dithered output
> Spread spectrum output frequency for EMI suppression
CVBS Video Output
> Supports CVBS bypass output
> Built-in video encoder for encoding digital video into CVBS output
2D Graphics Engine
> Point draw, line draw, rectangle draw/fill and text draw
> BitBlt and stretch BitBlt
> Raster Operation (ROP)
Miscellaneous
> DRAM controller to support 16-bit DDR2 interface
SPI serial interface for external SPI flash
> High efficiency power control module
> Two ports of USB 2.0 host controller with the flexibility for connecting external storage devices
> 256-pin LQFP package
> Operating at 1.26V (core), 1.8V (DDR2), and 3.3V (I/O and analog)
> Supports up to 10-bit dual LVDS full-HD (1920 x 1080) panel interface
> Supports 2 data output formats: Thine & TI data mappings
> Compatible with TIA/EIA
> With 6/8 bits optional dithered output
> Spread spectrum output frequency for EMI suppression
CVBS Video Output
> Supports CVBS bypass output
> Built-in video encoder for encoding digital video into CVBS output
2D Graphics Engine
> Point draw, line draw, rectangle draw/fill and text draw
> BitBlt and stretch BitBlt
> Raster Operation (ROP)
Miscellaneous
> DRAM controller to support 16-bit DDR2 interface
SPI serial interface for external SPI flash
> High efficiency power control module
> Two ports of USB 2.0 host controller with the flexibility for connecting external storage devices
> 256-pin LQFP package
> Operating at 1.26V (core), 1.8V (DDR2), and 3.3V (I/O and analog)






