Yamaha AX496 Stereo Amplifier – Circuit Diagram – Adjustments - Disassembly
Minimum RMS Output Power8Ω, 20Hz to 20kHz, 0.019% THD: 85W+85W
Maximum Output Power (EIAJ)
1kHz, 10% THD: 8Ω/6Ω 130W / 150W
1kHz, 10% THD: 8Ω/6Ω 130W / 150W
Dynamic Power (IHF)
8/6/4/2Ω: 30/150/185/220W
8/6/4/2Ω: 30/150/185/220W
DIN Standard Output Power
4Ω, 1kHz, 0.7% THD: 120W
IEC Output Power
8Ω, 1kHz, 0.019% THD: 100W
8Ω, 1kHz, 0.019% THD: 100W
Weight
AX-496 9.5 kg (21lbs)
Remote control model number: RAX9 V499920
Do not change the IMPEDANCE SELECTOR switch setting at the back of
this set, while the power to this unit is on, otherwise this unit may be
damaged.
Disassembly
(Remove parts in the order as numbered.)
1. Removal of Top Cover
Remove 4 screws (1) and 4 screws (2) in Fig.
2. Removal of Front Panel
a. Remove 6 screws (3) in Fig.
3. Checking and Parts Replacement of MAIN P.C.B. (1)
a. Disconnect the power cord from the AC outlet.
b. Remove 3 screws (4) attaching the Speaker terminal and Impedance Selector in Fig.
c. Remove 2 screws (5) and remove 1 plastic rivet (6) in Fig. then remove the Sub Chassis.
d. Remove 4 screws (7) in Fig. then remove the MAIN P.C.B. (1) with Heat Sink and Chassis.
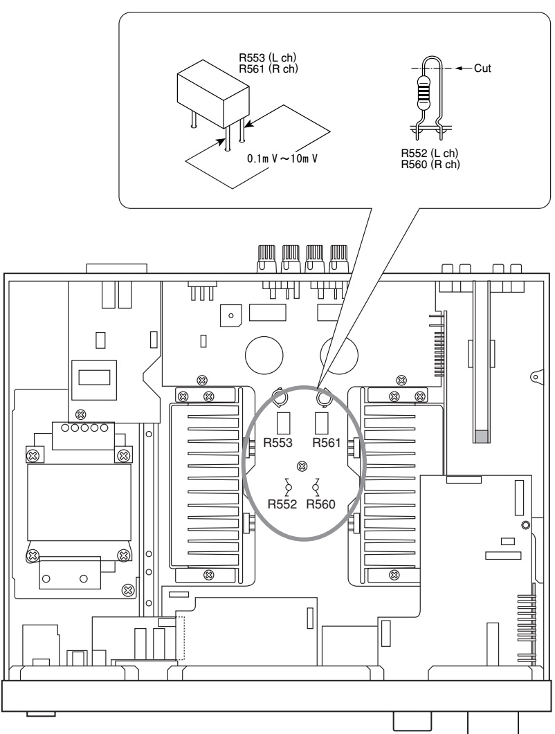
Adjustments: Confirmation of Idling Current
• Right after Power is switched ON, confirm the voltages measures at R553 (L ch)
and R561 (R ch) are between 0.1mV to 10mV.
• If it exceeds 10mV, open (cut off) R552 (L ch), R560 (R ch) and reconfirm the voltage.
• If it exceeds 10mV, open (cut off) R552 (L ch), R560 (R ch) and reconfirm the voltage.
PWB main - foil side
Schematic
Click on the pictures to zoom in




