PANASONIC TX-26LXD70A - TX-32LXD70A - SERVICE MODE - AND - POWER SUPPLY - CIRCUIT
Service Mode
How to enter into Service Mode
While pressing [VOLUME ( - )] button of the main unit, press [INFO] button of the remote control three times within 3 seconds.
How to enter into Service Mode
While pressing [VOLUME ( - )] button of the main unit, press [INFO] button of the remote control three times within 3 seconds.
Key command
“1” button...Main items Selection in forward direction
“2” button...Main items Selection in reverse direction
“3” button...Sub items Selection in forward direction
“4” button...Sub items Selection in reverse direction
“VOL” button...Value of sub items change in forward direction ( + ), in reverse direction ( - )
“1” button...Main items Selection in forward direction
“2” button...Main items Selection in reverse direction
“3” button...Sub items Selection in forward direction
“4” button...Sub items Selection in reverse direction
“VOL” button...Value of sub items change in forward direction ( + ), in reverse direction ( - )
How to exit
Switch off the power with the [POWER] button on the main unit or the [POWER] button on the remote control.
Switch off the power with the [POWER] button on the main unit or the [POWER] button on the remote control.
SRV-TOOL
How to access
1. Select "SRV-TOOL" in Service main Mode.
2. Press [OK] button on the remote control.
1. Select "SRV-TOOL" in Service main Mode.
2. Press [OK] button on the remote control.
Exit
Switch off the power with the [POWER] button on the main unit or the [POWER] button on the remote control.
Switch off the power with the [POWER] button on the main unit or the [POWER] button on the remote control.
OPTION Setting
If the memory IC or DG Board is replaced, option code should be re-memorized. If you use for other model, you should re-memorized the different option code in SERVICE mode.
If the memory IC or DG Board is replaced, option code should be re-memorized. If you use for other model, you should re-memorized the different option code in SERVICE mode.
Sub-Contrast Adjustment
procedure
1. Receive the sprit color bar (which includes white 100% erea).
Inspection
1. Enter Factory adjustment mode, and select "ADJUST" mode. Volume UP/DOWN key makes GAIN displayed under "Dynamic" to set. Pushing the remote controller "Yellow" key for about 3 seconds, GAIN is suited to the adjustment value automatically.
1. Receive the sprit color bar (which includes white 100% erea).
Inspection
1. Enter Factory adjustment mode, and select "ADJUST" mode. Volume UP/DOWN key makes GAIN displayed under "Dynamic" to set. Pushing the remote controller "Yellow" key for about 3 seconds, GAIN is suited to the adjustment value automatically.
Prevention of Electro Static
Discharge (ESD) to Electrostatically Sensitive (ES) Devices
Some semiconductor (solid state) devices can be damaged easily by static electricity. Such components commonly are called Electrostatically Sensitive (ES) Devices. Examples of typical ES devices are integrated circuits and some field-effect transistors and semiconductor "chip" components. The following techniques should be used to help reduce the incidence of component damage caused by electro static discharge (ESD).
1. Immediately before handling any semiconductor component or semiconductor-equipped assembly, drain off any ESD on your body by touching a known earth ground. Alternatively, obtain and wear a commercially available discharging ESD wrist strap, which should be removed for potential shock reasons prior to applying power to the unit under test.
2. After removing an electrical assembly equipped with ES devices, place the assembly on a conductive surface such as aluminum foil, to prevent electrostatic charge buildup or exposure of the assembly.
3. Use only a grounded-tip soldering iron to solder or unsolder ES devices.
4. Use only an anti-static solder removal device. Some solder removal devices not classified as "anti-static (ESD protected)" can generate electrical charge sufficient to damage ES devices.
5. Do not use freon-propelled chemicals. These can generate electrical charges sufficient to damage ES devices.
6. Do not remove a replacement ES device from its protective package until immediately before you are ready to install it. (Most replacement ES devices are packaged with leads electrically shorted together by conductive foam, alminum foil or comparable conductive material).
7. Immediately before removing the protective material from the leads of a replacement ES device, touch the protective material to the chassis or circuit assembly into which the device will be installed.
Caution
Be sure no power is applied to the chassis or circuit, and observe all other safety precautions.
8. Minimize bodily motions when handling
unpackaged replacement ES devices. (Otherwise hamless motion such as the
brushing together of your clothes fabric or the lifting of your foot from a
carpeted floor can generate static electricity (ESD) sufficient to damage an ES
device).Some semiconductor (solid state) devices can be damaged easily by static electricity. Such components commonly are called Electrostatically Sensitive (ES) Devices. Examples of typical ES devices are integrated circuits and some field-effect transistors and semiconductor "chip" components. The following techniques should be used to help reduce the incidence of component damage caused by electro static discharge (ESD).
1. Immediately before handling any semiconductor component or semiconductor-equipped assembly, drain off any ESD on your body by touching a known earth ground. Alternatively, obtain and wear a commercially available discharging ESD wrist strap, which should be removed for potential shock reasons prior to applying power to the unit under test.
2. After removing an electrical assembly equipped with ES devices, place the assembly on a conductive surface such as aluminum foil, to prevent electrostatic charge buildup or exposure of the assembly.
3. Use only a grounded-tip soldering iron to solder or unsolder ES devices.
4. Use only an anti-static solder removal device. Some solder removal devices not classified as "anti-static (ESD protected)" can generate electrical charge sufficient to damage ES devices.
5. Do not use freon-propelled chemicals. These can generate electrical charges sufficient to damage ES devices.
6. Do not remove a replacement ES device from its protective package until immediately before you are ready to install it. (Most replacement ES devices are packaged with leads electrically shorted together by conductive foam, alminum foil or comparable conductive material).
7. Immediately before removing the protective material from the leads of a replacement ES device, touch the protective material to the chassis or circuit assembly into which the device will be installed.
Caution
Be sure no power is applied to the chassis or circuit, and observe all other safety precautions.
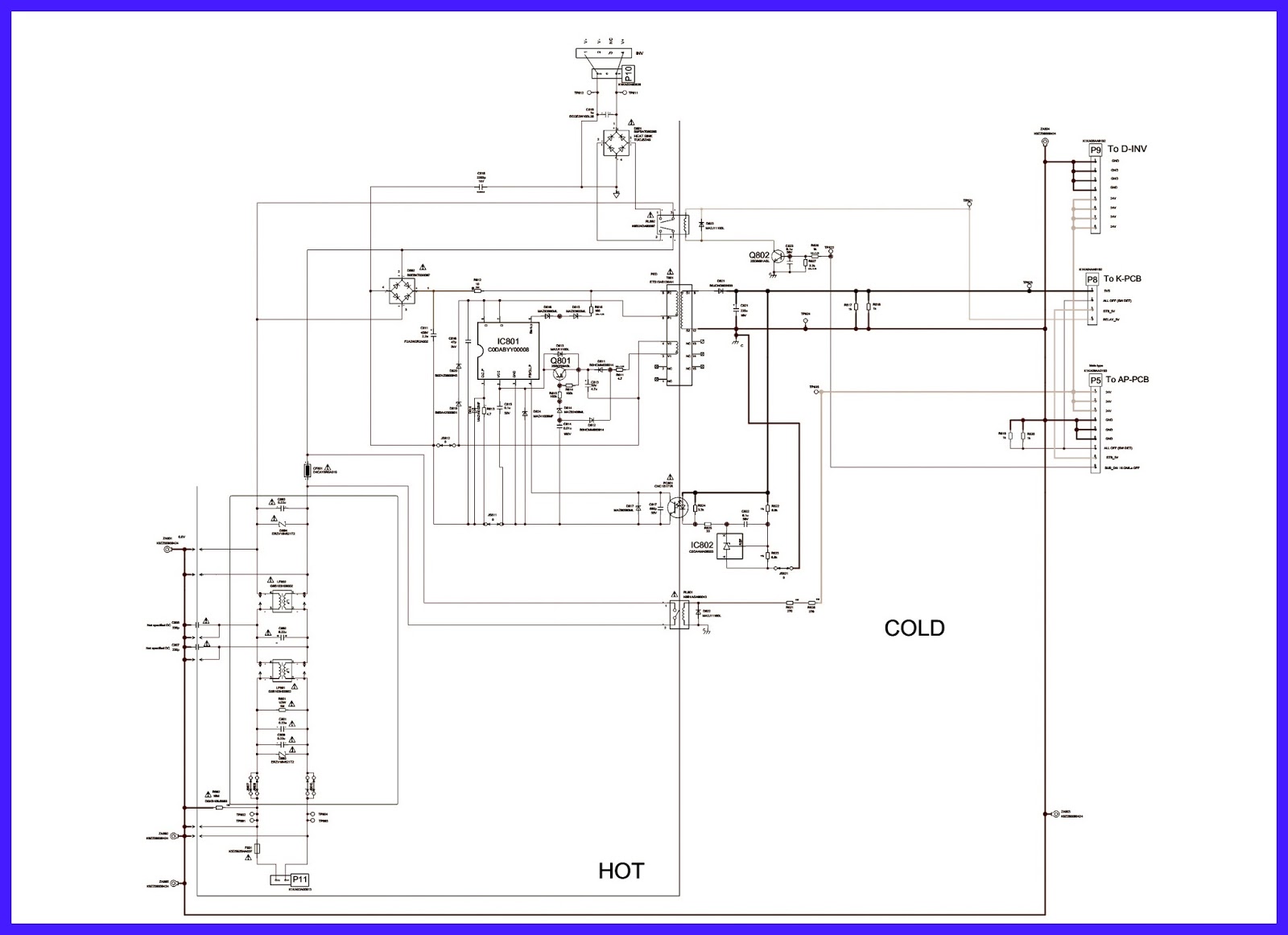
POWER SUPPLY CIRCUIT
CLICK ON THE IMAGE TO ZOOM IN
