PHILCO TP14U56 / TP14U56B / TP20V56 / TP29C21 - POWER SUPPLY [SMPS]
SCHEMATIC [Circuit Diagram] - Universal Remote Control Set-up Codes
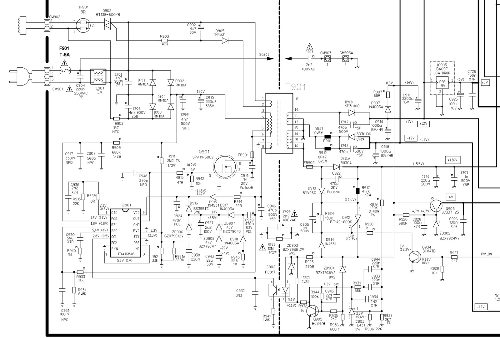
SMPS SCHEMATIC
CLICK ON PICTURES TO ZOOM IN
Universal remote control set-up codes
GE REMOTE CONTROL => 0062 0004 0005 0009 0183 0068 0075 0141
0003 0008
RCA RCR 311W => 1002, 1004, 1009, 1014, 1025, 1046, 1051, 1053, 1054,1060,
1061, 1062, 1066, 1067, 1072, 1073, 1074, 1076, 1077, 1078, 1082, 1083, 1085,
1091, 1133, 1205, 1230
Others => 1052 1217 1190 11451080 1239 1007 1039 1157
1051 1171 1012 1310 1326 1141 1219 1024 1046 1081 1136 1287 1298

