Philips Hi-Fi Record player 22GA312-00R-00z-15z – circuit diagram, adjustments and part numbers
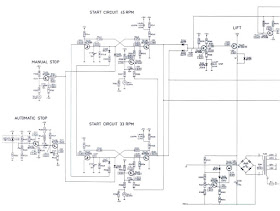
1. In position “stop” (SK4-On) the supply voltage must be -10v with regard to chassis. Adjust with R647.
2. When the pickup arm lies on the pickup arm support 81, with apparatus in “stop” (SK4-ON position, the voltage across the LDR 9R405) SHOULD BE 2.5V. ADJUST WITH r465. The supply voltage should be -10v.
3. When the stylus of the pickup head is at a distance of 60mm from the center of the turntable, the voltage across the LDR 9R4050 should be 3.5v +/-0.2v. adjust with the locking screw M3x16 in bracket 108. The supply voltage should be -10v,
4. The clearance between the film (above the LDR R106 should lie between 0.5 and 2mm. Adjust by slightly bending switch off bracket 106.
5. At 33 1/3 and 45r.p.m, the apparatus should have the correct speed. Adjust by setting R468 and R470 to central position and with R469 and R471, adjust to the correct speed. Check with the stroboscope ring on the turntable mat, or test record 4822 397 30019.
6. When using record with a pitch of 2mm, the apparatus should switch off when the stylus is at 60-55mm from the center of the turntable. Check with test record 4822397 30015. Adjust with T466 (apparatus in the 45r.p.m. position). IMPORTANT: Incidence of light on the LDR from the outside must be avoided.
Auxiliary tools
Test record: 4822 397 30015
Test record: 4822 397 30019
Wow/flutter meter [Bruno Woelke Type ME104.
Fro DGG test record:
DIN 45545 [3150 Hz] 33 1/3 RPM
DIN 44545 [3150Hz] 45RPM.
Schematic and PWB
Exploded view
Mechanical parts









