Harman Kardon BDT3 – BDT30 Blu-ray Disc player _ Power Supply schematic _ Software Upgrade
Firmware Upgrade procedure – SMPS Schematic – Harman Kardon
Blu-ray disc player BDT3 & BDT30
Software
upgrade
Preparation to upgrade software
1.Power on the set and press “settings” button on the remote.
2. Press left cursor to select "Information". Check the Software Version.
3. Check that the software version is correct in the UPG folder.
Preparation to upgrade software
1.Power on the set and press “settings” button on the remote.
2. Press left cursor to select "Information". Check the Software Version.
3. Check that the software version is correct in the UPG folder.
For example: if the software version is
displayed as “BDT20 XX.XX.XX”, the correct software is “BDT20_BD.bin”.
Otherwise, the software is “BDT2_BD.bin”.
4. Start the CD Burning software and create a new CD project (Data Disc). Copy the UPG folder to the root directory of the data disc.
5. Burn the data onto a blank CDR
4. Start the CD Burning software and create a new CD project (Data Disc). Copy the UPG folder to the root directory of the data disc.
5. Burn the data onto a blank CDR
Procedure for
software upgrade:
A Upgrade software via CDR:
1.Power on the set and insert the prepared Upgrade CDR.
2.The set will start reading the disc .
3. When the BDT recognizes the disc, press Setting > System > System > Upgrade > Disc. Follow the instructions on the screen.
4. About 3 minutes later, the BDT will automatically turn off, when upgrade has been completed.
A Upgrade software via CDR:
1.Power on the set and insert the prepared Upgrade CDR.
2.The set will start reading the disc .
3. When the BDT recognizes the disc, press Setting > System > System > Upgrade > Disc. Follow the instructions on the screen.
4. About 3 minutes later, the BDT will automatically turn off, when upgrade has been completed.
B Upgrade
software via USB Flash Drive:
1.Decompress the packed file, copy the UP G folder to the root directory of a USB memory device.
2. Insert the USB. The player will recognize the USB device automatically.
3. Press Setting > System > System Upgrade > Disc. Follow the instructions on the screen.
4. About 3 minutes later, the BDT will automatically turn off, when upgrade has been completed.
1.Decompress the packed file, copy the UP G folder to the root directory of a USB memory device.
2. Insert the USB. The player will recognize the USB device automatically.
3. Press Setting > System > System Upgrade > Disc. Follow the instructions on the screen.
4. About 3 minutes later, the BDT will automatically turn off, when upgrade has been completed.
Read out the
software version to confirm upgrade.
1. Power on the BDT and press the “Settings” button on the remote.
2. Press left cursor on remote control to select "Information". The software version and other information will be displayed on the TV screen as follows:
Software Version: BDTX XX.XX.XX
Mac Address:XX-XX-XX-XX-XX-XX
Caution: The set must not be powered off during upgrading. Otherwise the Main board will be damaged entirely.
1. Power on the BDT and press the “Settings” button on the remote.
2. Press left cursor on remote control to select "Information". The software version and other information will be displayed on the TV screen as follows:
Software Version: BDTX XX.XX.XX
Mac Address:XX-XX-XX-XX-XX-XX
Caution: The set must not be powered off during upgrading. Otherwise the Main board will be damaged entirely.
Region coding: Blu-ray disc Region A/DVD Region 1 (BDT 3 models);
Blu-ray disc Region B/DVD Region 2 (BDT 30 models)
Player is designed and manufactured for compatibility with region
management information that is encoded on most Blu-ray disc recordings and DVD
recordings:
BDT 3 units are designed only
for playback of discs with Blu-Ray disc Region code A and DVD Region code 1
information, or for discs that do not contain any Region code information.
BDT 30 units are designed only
for playback of discs with Blu-ray disc Region code B and DVD Region code 2
information, or for discs that do not contain Region code information.
If there is a Region code on a disc other than the one your BDT
player is designed for, it will not play in your BDT player.
Connect
the BDT 3/BdT 30 to the Internet, and BD-live interactivity (available
with compatible discs) delivers additional features,
updates and news of live events. Even your older DVD-video discs will
deliver
outstanding picture quality when they are up scaled to 1080p video
resolution.
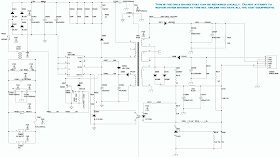
Power Supply [SMPS] Circuit Diagram & PWB

