PANASONIC TC-20KL05P HOW TO ENTER SERVICE MODE AND CIRCUIT DIAGRAM
CRT TV
HOW TO ENTER SERVICE MODE AND CIRCUIT DIAGRAM
HOW TO RESET THE UNIT (SELF CHECK)
To reset the unit, press simultaneously “VOLUME (--)” on the front panel and “TIMER” on the remote control.
To reset the unit, press simultaneously “VOLUME (--)” on the front panel and “TIMER” on the remote control.
HOW TO ENTER IN THE SERVICE MODE:
1 . Adjust “OFF TIMER” to 30 minutes. Press simultaneously “VOLUME (--)” on the front panel and “RECALL” on the remote control to enter “SERVICE MODE”.
1 . Adjust “OFF TIMER” to 30 minutes. Press simultaneously “VOLUME (--)” on the front panel and “RECALL” on the remote control to enter “SERVICE MODE”.
After a couple of seconds, the expression “CHK1 ” should
appear on the right superior side of the TV screen.
2. To change to memory data, press ”MUTE” and ”VOLUME(--)” simultaneously while the OSD is still on CHK1 mode.
3. Press key “2” to move forward and “8” to move backward each page (8h positions) in the memory.
Exemple: Memory position is 100. After pressing “2” the cursor will go to position 0F8 and after pressing “8” the cursor will go to position 108 .
4. Press “4” and “6” to move to right or left.
5. Press “CH(+)” e “CH(–)” to move for blocks.
Example: Initial memory position is 000. By pressing “CH(+)” cursor will go to position 100, pressing it once again the cursor will go to position 200. The key “CH(–)” does the inverse move.
6. To change values in the memory, press “VOLUME(+)” to increase and ”VOLUME(--)” to decrease.
7. After data adjustment, OSD will change to RED color. Press “0” to memorize the adjustment and the OSD will change to GREEN color.
2. To change to memory data, press ”MUTE” and ”VOLUME(--)” simultaneously while the OSD is still on CHK1 mode.
3. Press key “2” to move forward and “8” to move backward each page (8h positions) in the memory.
Exemple: Memory position is 100. After pressing “2” the cursor will go to position 0F8 and after pressing “8” the cursor will go to position 108 .
4. Press “4” and “6” to move to right or left.
5. Press “CH(+)” e “CH(–)” to move for blocks.
Example: Initial memory position is 000. By pressing “CH(+)” cursor will go to position 100, pressing it once again the cursor will go to position 200. The key “CH(–)” does the inverse move.
6. To change values in the memory, press “VOLUME(+)” to increase and ”VOLUME(--)” to decrease.
7. After data adjustment, OSD will change to RED color. Press “0” to memorize the adjustment and the OSD will change to GREEN color.
CHK1 MODE - OPTIONS
On CHK1 mode it is possible to adjust the items of the table shown here.
Note:
To select an option, type “4” to move forward and “3” to move back. After having selected the desired option, adjust it by pressing the “VOL(--)” or “VOL(+)”
keys. Press “0” to memorize the adjustment.
On CHK1 mode it is possible to adjust the items of the table shown here.
Note:
To select an option, type “4” to move forward and “3” to move back. After having selected the desired option, adjust it by pressing the “VOL(--)” or “VOL(+)”
keys. Press “0” to memorize the adjustment.
Observation:
Values of CHK1 table in should be programed, exactly as described in the table shown here.
Values of CHK1 table in should be programed, exactly as described in the table shown here.
CHK2 MODE - VCJ ADJUSTMENTS
On CHK2 mode it is possible to adjust the items of the table shown here.
Note:
To select an item, type “4” to move forward and “3” to move back. After having selected the desired option, adjust it by pressing the “VOL(--)” or “VOL(+)” keys.
On CHK2 mode it is possible to adjust the items of the table shown here.
Note:
To select an item, type “4” to move forward and “3” to move back. After having selected the desired option, adjust it by pressing the “VOL(--)” or “VOL(+)” keys.
CHK3 MODE - PINCUSHION ADJUSTMENTS
On CHK3 mode it is possible to adjust the items of the table shown here.
Note:
To select an item, type “4” to move forward and “3” to move back. After having selected the desired option, adjust it by pressing the “VOL(--)” or
“VOL(+)” keys.
On CHK3 mode it is possible to adjust the items of the table shown here.
Note:
To select an item, type “4” to move forward and “3” to move back. After having selected the desired option, adjust it by pressing the “VOL(--)” or
“VOL(+)” keys.
CHK4 MODE - WHITE BALANCE
ADJUSTMENTS
On CHK4 mode it is possible to adjust the items of the table shown here.
Note:
To select an item, type “4” to move forward and “3” to move back. After having selected the desired option, adjust it by pressing the “VOL(--)” or “VOL(+)” keys.
On CHK4 mode it is possible to adjust the items of the table shown here.
Note:
To select an item, type “4” to move forward and “3” to move back. After having selected the desired option, adjust it by pressing the “VOL(--)” or “VOL(+)” keys.
TO EXIT SERVICE MODE AND RETURN TO
NORMAL MODE
To exit SERVICE MODE, turn off or reset (SELF CHECK) the television.
To exit SERVICE MODE, turn off or reset (SELF CHECK) the television.
RF AGC ADJUSTMENT
1. Supply a color bar PHILIPS pattern and adjust the RF input signal of 69 dB mV (75W opened channel 7 RF freq.: 175.25 MHz).
2. Connect the digital multimeter in TPA15
1. Supply a color bar PHILIPS pattern and adjust the RF input signal of 69 dB mV (75W opened channel 7 RF freq.: 175.25 MHz).
2. Connect the digital multimeter in TPA15
ADJUSTMENT:
1. Select “RF AGC” on “CHK2” service mode.
2. Adjust "RF AGC" by pressing VOL(+) or (-) until obtaining
2.2±0.1V in TPA15.
3. Increase the input level by +2 dB and confirm that the voltage decreases in TPA15.
1. Select “RF AGC” on “CHK2” service mode.
2. Adjust "RF AGC" by pressing VOL(+) or (-) until obtaining
2.2±0.1V in TPA15.
3. Increase the input level by +2 dB and confirm that the voltage decreases in TPA15.
WHITE QUALITY CALIBRATION
PREPARATION: 1. Adjust the HELMHOLTZ device to local magnetic field. Horizontal: 0 ± 0.003 x 10-4T
2. Receive a white purity pattern.
3. Adjust CONTRAST and BRIGHT controls to maximum.
4. Previously adjust the CONVERGENCE.
5. Fully degauss the CRT by using an external degaussing coil.
PREPARATION: 1. Adjust the HELMHOLTZ device to local magnetic field. Horizontal: 0 ± 0.003 x 10-4T
2. Receive a white purity pattern.
3. Adjust CONTRAST and BRIGHT controls to maximum.
4. Previously adjust the CONVERGENCE.
5. Fully degauss the CRT by using an external degaussing coil.
CALIBRATION:
1. Adjust the magnetic field in 0.4x10-4T (400 mG), and check the white quality with the CRT turned to EAST and to WEST.
2. Receive a red pattern, adjust the COLOR control to maximum and confirm the purity adjustment.
3. If purity error is found at the CRT corners, apply magnetic tapes to correct it, fully degauss the CRT again and repeat the steps 1 and 2. Don't use this magnetic tapes on the internal side of the yoke.
4. When magnetic tapes be used, fully degauss the face of CRT (in a horizontal magnetic field = 0 ± 0.03x10-4T), and repeat the items 1 and 2.
5. Adjust the control of COLOR to MINIMUM.
1. Adjust the magnetic field in 0.4x10-4T (400 mG), and check the white quality with the CRT turned to EAST and to WEST.
2. Receive a red pattern, adjust the COLOR control to maximum and confirm the purity adjustment.
3. If purity error is found at the CRT corners, apply magnetic tapes to correct it, fully degauss the CRT again and repeat the steps 1 and 2. Don't use this magnetic tapes on the internal side of the yoke.
4. When magnetic tapes be used, fully degauss the face of CRT (in a horizontal magnetic field = 0 ± 0.03x10-4T), and repeat the items 1 and 2.
5. Adjust the control of COLOR to MINIMUM.
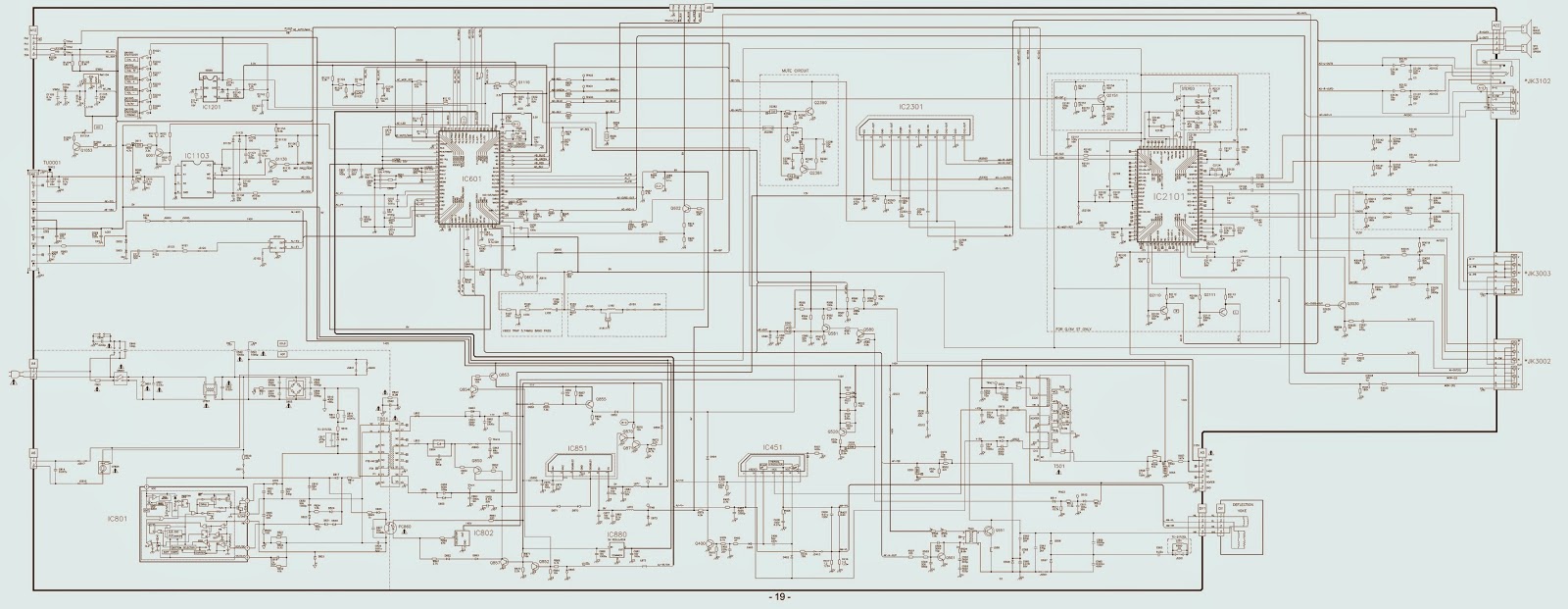
CIRCUIT DIAGRAM
CLICK ON THE IMAGE TO ZOOM IN
