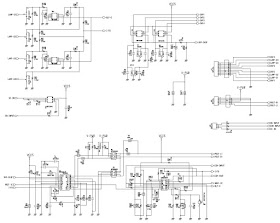
LA15S51B Samsung TFT-LCD TV – Service mode and adjustments, Power and inverter schematic
Alignment Instruction
Do
not attempt to connect or disconnect any wire while the TV is turned on.
Make sure that the power cord is disconnected before replacing any parts.
To protect against shock hazard, use an isolation transform.
Make sure that the power cord is disconnected before replacing any parts.
To protect against shock hazard, use an isolation transform.
Entering Factory Mode.
To
enter “Service Mode” Press the remote control keys in this sequence:
Default data values
Calibration
RF,
VIDEO,
S-VIDEO > Factory mode > Calibration > VCTi >
Enter.
Component: adjust 16 gray pattern of 480p.
Based
on master device [Video signal generator MSPG-925F], after adjusting to 16 grey
pattern [model: 212, pattern:17]
Factory
mode > calibration > component > enter.
PC:
adjust in VGA mode
Execute
auto-adjustment in cross hatch: Model 10, Pattern 25.
After
adjusting 16 grey pattern [Model 10, Pattern 17].
Factory
mode > calibration > PC > enter
Value
variation can be +/-- 10~20.
Power Supply, Inverter Board Schematic






