Sharp LC32GD7E How to enter service mode – adjustments – inverter circuit diagram- LCD COLOUR TELEVISION (Display)
Service mode, Back-light inverter circuit diagram, Lamp error detection, service adjustments - Flicker adjustment – Sharp LC32GD7E – LCD TV
Enter service modePre-setup position: set is in TV mode
1. Press MENU button on top of the TV set to enter menu “direct control on TV set”
2. Press button “P ^” until “service” is shown in menu.
3. When service appears press the MENU button on the remote control within 1 sec. Service menu appears.
4. Step with cursor buttons on remote control through the service menu to change settings.
5. Each modification of any value has to be memorized with the “OK” button on remote control.
ADJUSTMENT
PROCEDURE
The
adjustment values are set to the optimum conditions at the factory before
shipping. If a value should become improper or an adjustment is required due to
part replacement, make an adjustment according to the following procedure.
Enter
the display process mode and then adjust COM BIAS. [Caution: Use due care in
handling the information described here lest your users should know how to
enter the adjustment process mode. If the settings are tampered in this mode, unrecoverable
system damage may result.]
COM
BIAS adjustment [Flicker]
Shift to the [COM BIAS] item with the cursor UP/DOWN key and select a numeric
value with the cursor RIGHT/LEFT key.
Changing the numeric value with the cursor UP/DOWN key will make appear the test pattern. Make an adjustment so that the flicker near the center of the screen is minimized.
Changing the numeric value with the cursor UP/DOWN key will make appear the test pattern. Make an adjustment so that the flicker near the center of the screen is minimized.
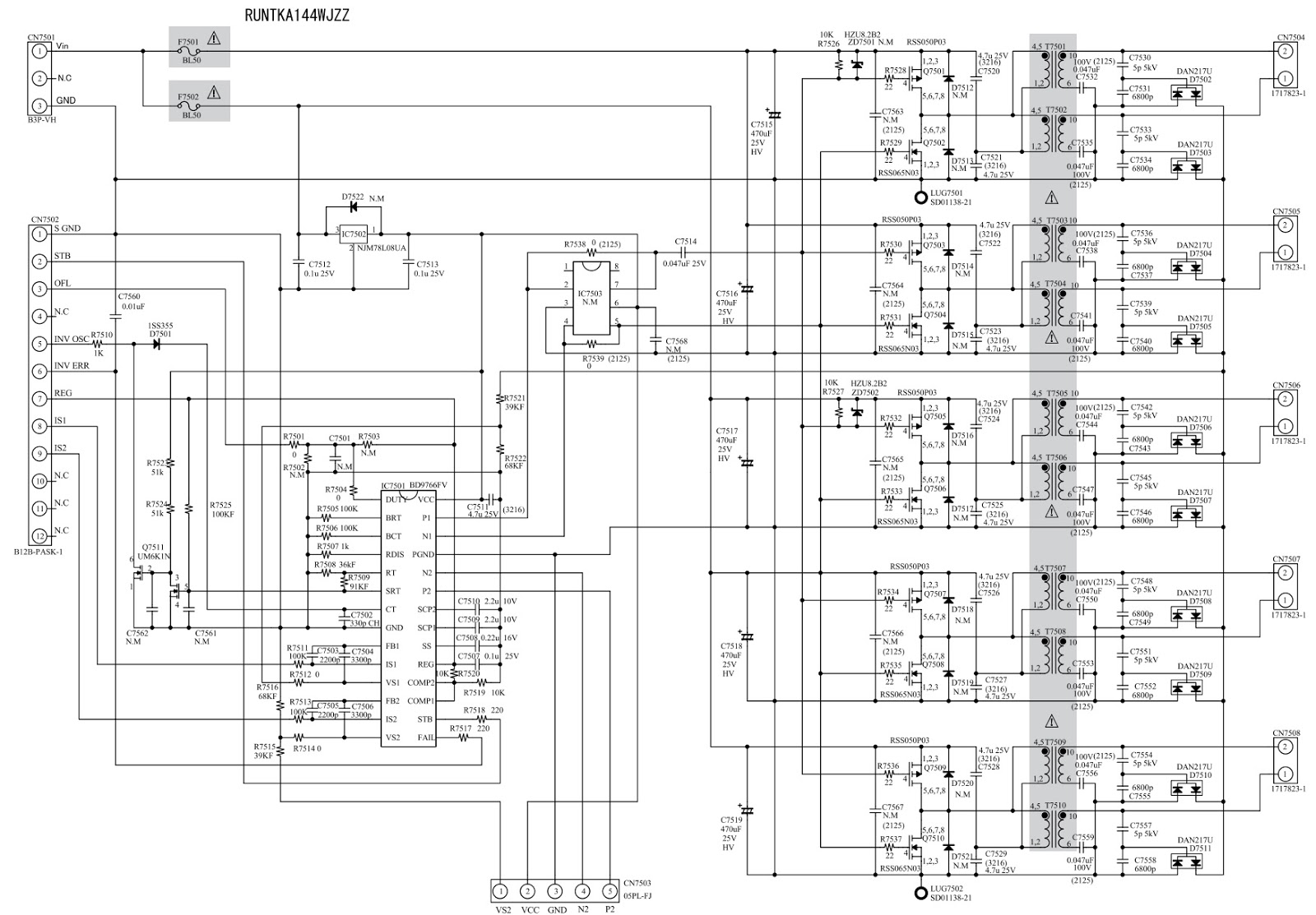
Back-light inverter schematic [Circuit diagram]
Inverter-1 schematic and pwb
Back-light inverter-2and PWB
Inverter Ground schematic
Lamp
error detection
This liquid-crystal color TV incorporates a lamp error detection feature (lamp
error detection) that automatically turns OFF the power for safety under
abnormal lamp or lamp circuit conditions.
If anything is wrong with the lamp or lamp circuit or when the lamp error detection feature is activated for some reason, the following will result.
1 The power of TV main body is turned OFF about six seconds after it is turned ON. (The power LED on the front of the TV turns red from green and keeps blinking in red (ON for 250ms and OFF for 1sec)).
2 If occurs five times consecutively, it becomes impossible to turn ON the power. (The power LED keeps blinking in red (ON for 250ms and OFF for 1sec)).
If anything is wrong with the lamp or lamp circuit or when the lamp error detection feature is activated for some reason, the following will result.
1 The power of TV main body is turned OFF about six seconds after it is turned ON. (The power LED on the front of the TV turns red from green and keeps blinking in red (ON for 250ms and OFF for 1sec)).
2 If occurs five times consecutively, it becomes impossible to turn ON the power. (The power LED keeps blinking in red (ON for 250ms and OFF for 1sec)).
1) Checking with lamp error detection OFF
Refer to "Entering and exiting the adjustment process mode" in the section 10-2 to enter the display process mode.
If there is a problem with a lamp or a lamp circuit, the lamp will go out. (The power LED is green.)
Then, you can check the operation to see if the lamp and lamp circuit are abnormal.
2) Resetting the lamp error count
After you have finished checking whether the lamp and lamp circuit are abnormal, reset the lamp error count. If a lamp error is detected five consecutive times, the power cannot be turned on.
Therefore, move to the [L ERR RESET] line, the 5th line on the first page of the "Display process mode", using the Cursor UP/DOWN key. Then, reset the [L ERR RESET] value using the Cursor RIGHT/LEFT key. In this case, press the Cursor UP/DOWN key to reset it to "0".






