harman/kardon HK HS 2X0/230 - SMPS and Power Amplifier Circuit Diagram
harman/kardon (HS 210 system and HS 280 system) 2 x 65W 2.1 RECEIVER / HOME CINEMA SYSTEMS
The
HS 210 and HS 280 systems DVD / Amplifier units are identical, named “HS 2X0”
on the rear panel, but featuring a NO NAME-STICKER on the front panel. The only
difference is the loudspeakers included in the system box. HS 210 comes with a
HKTS 30 system in 2.1 configuration HS 280 comes with a HKTS 60 system in 2.1
configuration.
Speaker
System
Frequency response: 45Hz–20kHz (-6dB)
SAT TS60 Satellites (for HS 280)
Recommended power: 10 ~ 120 watts
Impedance: 8 ohms nominal
Sensitivity: 86dB @2.83V/1 meter
Tweeter: One 19mm (3/4") dome, video-shielded
Midrange: Dual 75mm (3") flat-panel drivers, video-shielded
Dimensions
Height 299mm (11-25/32 inches)
Width 110mm (4-11/32 inches)
Depth 88mm (3-15/32 inches)
Weight: 1.5kg (3.3 lb)
Height measurement includes removable stands.
SAT-TS11 Satellites (for HS 210)
Recommended power: 10 ~ 120 watts
Impedance: 8 ohms nominal
Sensitivity: 86dB @ 2.83V/1 meter
Tweeter: One 1/2" (12mm) dome, video-shielded
Midrange: Dual 3" (75mm) drivers, video-shielded
Dimensions
Height 243mm (9-9/16 inches)
Width 100mm (3-15/16 inches)
Depth 92mm (3-5/8 inches)
Weight: 1kg (2.2 lb)
HKTS200SUB Subwoofer
Input rating: AC 220–240V~, 50/60Hz, 200W
Amplifier power: 200 watts RMS
Woofer: 8" cone in a sealed enclosure
External trigger input voltage: 3 ~ 30 volts AC/DC
Dimensions (H x W x D):
Height 353mm (13-29/32 inches)
Width 267mm (10-1/2 inches)
Depth 267mm (10-1/2 inches)
Weight: 9kg (19.8 lb)
Height measurement includes the product’s feet.
Frequency response: 45Hz–20kHz (-6dB)
SAT TS60 Satellites (for HS 280)
Recommended power: 10 ~ 120 watts
Impedance: 8 ohms nominal
Sensitivity: 86dB @2.83V/1 meter
Tweeter: One 19mm (3/4") dome, video-shielded
Midrange: Dual 75mm (3") flat-panel drivers, video-shielded
Dimensions
Height 299mm (11-25/32 inches)
Width 110mm (4-11/32 inches)
Depth 88mm (3-15/32 inches)
Weight: 1.5kg (3.3 lb)
Height measurement includes removable stands.
SAT-TS11 Satellites (for HS 210)
Recommended power: 10 ~ 120 watts
Impedance: 8 ohms nominal
Sensitivity: 86dB @ 2.83V/1 meter
Tweeter: One 1/2" (12mm) dome, video-shielded
Midrange: Dual 3" (75mm) drivers, video-shielded
Dimensions
Height 243mm (9-9/16 inches)
Width 100mm (3-15/16 inches)
Depth 92mm (3-5/8 inches)
Weight: 1kg (2.2 lb)
HKTS200SUB Subwoofer
Input rating: AC 220–240V~, 50/60Hz, 200W
Amplifier power: 200 watts RMS
Woofer: 8" cone in a sealed enclosure
External trigger input voltage: 3 ~ 30 volts AC/DC
Dimensions (H x W x D):
Height 353mm (13-29/32 inches)
Width 267mm (10-1/2 inches)
Depth 267mm (10-1/2 inches)
Weight: 9kg (19.8 lb)
Height measurement includes the product’s feet.
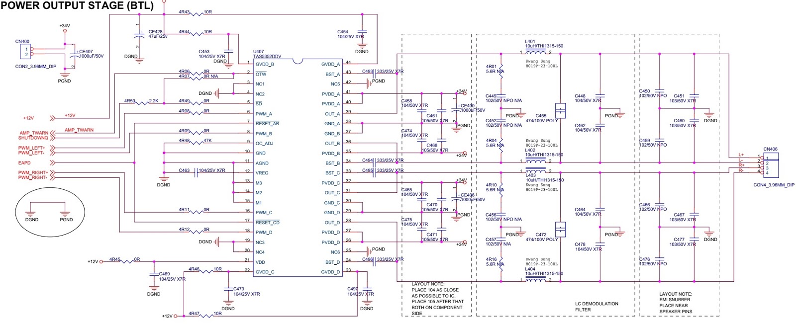
SMPS and Power Amplifier section schematic
The aspect
ratio of the screen is wrong (picture vertically expanded) when you
play a wide picture even though you set “TV DISPLAY” in the SETUP menu
to "16:9".
• If you connect the
system with the SCART cable, connect directly to the TV. Otherwise the
auto switch function of the aspect ratio for the TV may not work.
• If the TV is not
connected with a SCART cable to the HS, or if the auto switch function
does not work you should turn the TV to "16:9" (if possible with your
TV).
• Depending on the TV, you
may not be able to change the aspect ratio. In that case (TV not
adjustable to 16:9) do not select "16:9" in the TV Display. Then, no
change of the aspect ratio is needed.
The volume goes down automatically and cannot be increased.
• The internal temperature is too high. Wait approximately one minute for the amplifier to reach normal working temperature.
The subtitle language cannot be changed when you play a DVD.
• Multilingual subtitles are not recorded on the DVD.
• Changing the language
for the subtitles by the Subtitle button on the remote or the Subtitle
line in the Player Menu is prohibited on the DVD. In that case the
subtitle language must be selected by the main menu on the DVD.
The subtitles cannot be turned off when you play a DVD.


