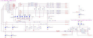
HP L1706 – AOC L1706 – 17 inch TFT LCD Monitor - Schematic - main board - Power board
Circuit Diagram HP L1706 – AOC L1706 – 17 inch TFT LCD Monitor: Used Semiconductors: LD7545 – FQPF8N60C (FET) – OZ9938 – AM9945
Horizontal Frequency - 30- 83 kHz. Graphic resolution: 1280 x 1024 (60Hz)
Vertical refresh: 50 to 76Hz.
Power source: 100-280VAC, 50-60Hz.
Power consumption: 37Watts.
The monitor contain main board, power board, key board
and an audio board which house the flat panel control logic, brightness control
logic and DDC.
The power board will provide AC to DC Inverter voltage to drive the backlight of panel and the main board chips each voltage.
1. If the monitor is not already on, press the Power switch to turn on the monitor.
2. To access the OSD Menu, press the Menu button on the monitor’s front panel.
3.
To navigate through the OSD Menu, press the + (Plus) button on the
monitor’s front panel to scroll up, or the – (Minus) button to scroll in
reverse.
4.
To select an item from the OSD Menu, use the + or – buttons to scroll to
and highlight your selection, then press the Menu button to select that
function.
5. Adjust the item using the + or – buttons on the front panel to adjust the scale.
6.
After adjusting the function, select Save and Return, or Cancel if you
don’t want to save the setting, then select Exit from the Main Menu.
If
the buttons remain untouched for 10 seconds while displaying a menu, new
adjustments will be discarded and the settings will revert to previous
settings and exit the menu.
Main board: 715G2433-A (L1706 down size)
Scaler
SMPS (power) - 715G1823-I
B-L inverter - FOR 17" 4 LAMPS
Click on the pictures to magnify
Software Flow Chart
1) MCU initialize.
2) Is the EEprom blank?
3) Program the EEprom by default values.
4) Get the PWM value of brightness from EEprom.
5) Is the power key pressed?
6) Clear all global flags.
7) Are the AUTO and SELECT keys pressed?
8) Enter factory mode.
9) Save the power key status into EEprom. Turn on the LED and set it to green color. Scalar initializes.
10) In standby mode?
11) Update the lifetime of back light.
12) Check the analog port, are there any signals coming?
13) Does the scalar send out an interrupt request?
14) Wake up the scalar.
15) Are there any signals coming from analog port?
16) Display "No connection Check Signal Cable" message. And go into standby mode after the message disappear.
17) Program the scalar to be able to show the coming mode.
18) Process the OSD display.
19) Read the keyboard. Is the power key pressed?
2) Is the EEprom blank?
3) Program the EEprom by default values.
4) Get the PWM value of brightness from EEprom.
5) Is the power key pressed?
6) Clear all global flags.
7) Are the AUTO and SELECT keys pressed?
8) Enter factory mode.
9) Save the power key status into EEprom. Turn on the LED and set it to green color. Scalar initializes.
10) In standby mode?
11) Update the lifetime of back light.
12) Check the analog port, are there any signals coming?
13) Does the scalar send out an interrupt request?
14) Wake up the scalar.
15) Are there any signals coming from analog port?
16) Display "No connection Check Signal Cable" message. And go into standby mode after the message disappear.
17) Program the scalar to be able to show the coming mode.
18) Process the OSD display.
19) Read the keyboard. Is the power key pressed?




